Current Issue
2026 Vol. 44, No. 1
Display Method:
2026, 44(1): 1-21.
doi: 10.14027/j.issn.1000-0550.2024.054
Abstract:
Significance Climate plays an important role in controlling marine organic carbon enrichment, but relevant studies have primarily focused on the mechanism of organic carbon enrichment under high insolation and a warm humid climate, summarized the relationship between organic-rich basin sedimentation and astronomical cycle, and have rarely involved the development mechanism of marine source rocks during deglaciation. Several sets of marine source rocks were deposited during the deglaciation of Proterozoic and Paleozoic in China. Studying and summarizing the mechanism of climate on organic carbon enrichment in basins during deglaciation is helpful for establishing a coupling relationship model between different climatic conditions and organic matter abundance from the perspective of Earth system. Progress Research has found that the main source rocks of Mesozoic and Cenozoic corresponding to large oil and gas fields in China were developed in the greenhouse climate period of middle and high latitudes, whereas the main source rocks of Proterozoic and Paleozoic were mainly developed in deglaciation of middle and low latitudes. Abundant dating data indicate that the source rocks of the deglaciation period were distributed in the Neoproterozoic, Ediacaran-Cambrian transition, Ordovician-Silurian transition, and Permian. The source rock of the second member of the Doushantuo Formation in the Neoproterozoic was formed after the Nantuo glaciation. The Yurtus Formation and Qiongzhusi Formation of the early Cambrian were formed in the cold stage of the early Cambrian, after the North China Luoquan and Ediacaran glaciations. The Longmaxi Formation of the Early Silurian was formed after the Hernant glaciation. The Chihsian Formation of the Middle Permian was formed after the Late Paleozoic global ice age. Through the study of the paleoenvironment, paleoclimate, and productivity of source rocks in each periods, it is found that the unique climatic conditions in the deglaciation period played an important role in the organic carbon enrichment of marine source rocks. High temperatures and humidity in the middle and low latitudes, and high insolation corresponding to high obliquity during the deglaciation favor biological growth, reproduction, and organic carbon enrichment. Glacial meltwater input during deglaciation can cause transgression and import nutrients to the ocean. The chemical index of alteration (CIA) values, which rise sharply and fluctuate significantly between 50 and 90 in each period, reflect the warming and unstable climate characteristics during the deglaciation, corresponding to enhanced chemical and freeze-thaw weathering, leading to increased terrestrial nutrient input and productivity enhancement. During the initial stages of ice melting, strong equator-polar temperature differences and sea surface wind lead to intense upwelling, increasing surface water primary productivity, whereas surface biological blooms and oxygen consumption create a reducing environment conducive to organic matter preservation. Volcanism is more intense during interglacial deglaciation, the input of nutrients from volcanic eruptions increases the productivity of the marine surface, and the input of reducing substances improves the preservation conditions of organic matter. Conclusions and Prospects Under the control of Milankovitch cycles, high insolation, warming, and fluctuating climate lead to enhanced rock weathering, extensive marine transgression, intense upwelling, and frequent volcanism, collectively resulting in increased water productivity and anoxic reduction during deglaciation, thereby promoting organic carbon enrichment and source rock formation. This relationship model between climate and source rock formation during deglaciation reflects the control of the ocean-land-atmosphere earth system on organic carbon enrichment under the control of climate cycles. In the future, combining climate simulations and quantitative calculations, certain predictions can be made regarding the distribution of large shale oil and gas fields.
Significance Climate plays an important role in controlling marine organic carbon enrichment, but relevant studies have primarily focused on the mechanism of organic carbon enrichment under high insolation and a warm humid climate, summarized the relationship between organic-rich basin sedimentation and astronomical cycle, and have rarely involved the development mechanism of marine source rocks during deglaciation. Several sets of marine source rocks were deposited during the deglaciation of Proterozoic and Paleozoic in China. Studying and summarizing the mechanism of climate on organic carbon enrichment in basins during deglaciation is helpful for establishing a coupling relationship model between different climatic conditions and organic matter abundance from the perspective of Earth system. Progress Research has found that the main source rocks of Mesozoic and Cenozoic corresponding to large oil and gas fields in China were developed in the greenhouse climate period of middle and high latitudes, whereas the main source rocks of Proterozoic and Paleozoic were mainly developed in deglaciation of middle and low latitudes. Abundant dating data indicate that the source rocks of the deglaciation period were distributed in the Neoproterozoic, Ediacaran-Cambrian transition, Ordovician-Silurian transition, and Permian. The source rock of the second member of the Doushantuo Formation in the Neoproterozoic was formed after the Nantuo glaciation. The Yurtus Formation and Qiongzhusi Formation of the early Cambrian were formed in the cold stage of the early Cambrian, after the North China Luoquan and Ediacaran glaciations. The Longmaxi Formation of the Early Silurian was formed after the Hernant glaciation. The Chihsian Formation of the Middle Permian was formed after the Late Paleozoic global ice age. Through the study of the paleoenvironment, paleoclimate, and productivity of source rocks in each periods, it is found that the unique climatic conditions in the deglaciation period played an important role in the organic carbon enrichment of marine source rocks. High temperatures and humidity in the middle and low latitudes, and high insolation corresponding to high obliquity during the deglaciation favor biological growth, reproduction, and organic carbon enrichment. Glacial meltwater input during deglaciation can cause transgression and import nutrients to the ocean. The chemical index of alteration (CIA) values, which rise sharply and fluctuate significantly between 50 and 90 in each period, reflect the warming and unstable climate characteristics during the deglaciation, corresponding to enhanced chemical and freeze-thaw weathering, leading to increased terrestrial nutrient input and productivity enhancement. During the initial stages of ice melting, strong equator-polar temperature differences and sea surface wind lead to intense upwelling, increasing surface water primary productivity, whereas surface biological blooms and oxygen consumption create a reducing environment conducive to organic matter preservation. Volcanism is more intense during interglacial deglaciation, the input of nutrients from volcanic eruptions increases the productivity of the marine surface, and the input of reducing substances improves the preservation conditions of organic matter. Conclusions and Prospects Under the control of Milankovitch cycles, high insolation, warming, and fluctuating climate lead to enhanced rock weathering, extensive marine transgression, intense upwelling, and frequent volcanism, collectively resulting in increased water productivity and anoxic reduction during deglaciation, thereby promoting organic carbon enrichment and source rock formation. This relationship model between climate and source rock formation during deglaciation reflects the control of the ocean-land-atmosphere earth system on organic carbon enrichment under the control of climate cycles. In the future, combining climate simulations and quantitative calculations, certain predictions can be made regarding the distribution of large shale oil and gas fields.
2026, 44(1): 22-36.
doi: 10.14027/j.issn.1000-0550.2024.040
Abstract:
Objective The Qigebrak Formation developed abundant microbial carbonates, which are the favorable target for deep to ultra-deep oil and gas exploration. However, the existing stratigraphic division scheme of the Qigebrak Formation remains controversial, hindering the analysis of reservoir depositional evolution and distribution prediction. Further in-depth research and clarification are urgently needed. Methods This study focused on the Shiairik section in the northwest Aksu area of the Tarim Basin to define the depositional environment and sea-level change, and conduct a sequence stratigraphic division of the Qigebrak Formation based on the analysis of high-precision depositional facies and the Fischer plot. Results Ten main facies are recognized from the Qigebrak Formation and grouped into a carbonate ramp platform. Two subfacies; i.e., inner and middle ramp, are developed under this setting. The inner ramp consists of the tidal flat, lagoon, tidal channel, and grain shoals. Eight subtypes of peritidal cycles, two subtypes of shallow subtidal cycles and two subtypes of middle-ramp cycles are identified. Based on the stacking patterns reflected in the Fischer diagrams, analysis of orders of depositional facies and proportion of subtidal facies, the Qigebrak is divided into four third-order T-R sequences (SQ1-SQ4). Among these sequences, SQ1 only records the regressive system tract in the Qigebrak Formation, whereas SQ4 only preserves the transgressive system tract. Conclusions This study suggests that (1) it is reasonable to divide the Qigebrak Formation into four sequences; (2) the top of the Qigebrak Formation could have experienced the million-year-scale exposure and erosion, which would favor the formation of scaled reservoirs.
Objective The Qigebrak Formation developed abundant microbial carbonates, which are the favorable target for deep to ultra-deep oil and gas exploration. However, the existing stratigraphic division scheme of the Qigebrak Formation remains controversial, hindering the analysis of reservoir depositional evolution and distribution prediction. Further in-depth research and clarification are urgently needed. Methods This study focused on the Shiairik section in the northwest Aksu area of the Tarim Basin to define the depositional environment and sea-level change, and conduct a sequence stratigraphic division of the Qigebrak Formation based on the analysis of high-precision depositional facies and the Fischer plot. Results Ten main facies are recognized from the Qigebrak Formation and grouped into a carbonate ramp platform. Two subfacies; i.e., inner and middle ramp, are developed under this setting. The inner ramp consists of the tidal flat, lagoon, tidal channel, and grain shoals. Eight subtypes of peritidal cycles, two subtypes of shallow subtidal cycles and two subtypes of middle-ramp cycles are identified. Based on the stacking patterns reflected in the Fischer diagrams, analysis of orders of depositional facies and proportion of subtidal facies, the Qigebrak is divided into four third-order T-R sequences (SQ1-SQ4). Among these sequences, SQ1 only records the regressive system tract in the Qigebrak Formation, whereas SQ4 only preserves the transgressive system tract. Conclusions This study suggests that (1) it is reasonable to divide the Qigebrak Formation into four sequences; (2) the top of the Qigebrak Formation could have experienced the million-year-scale exposure and erosion, which would favor the formation of scaled reservoirs.
2026, 44(1): 37-53.
doi: 10.14027/j.issn.1000-0550.2024.045
Abstract:
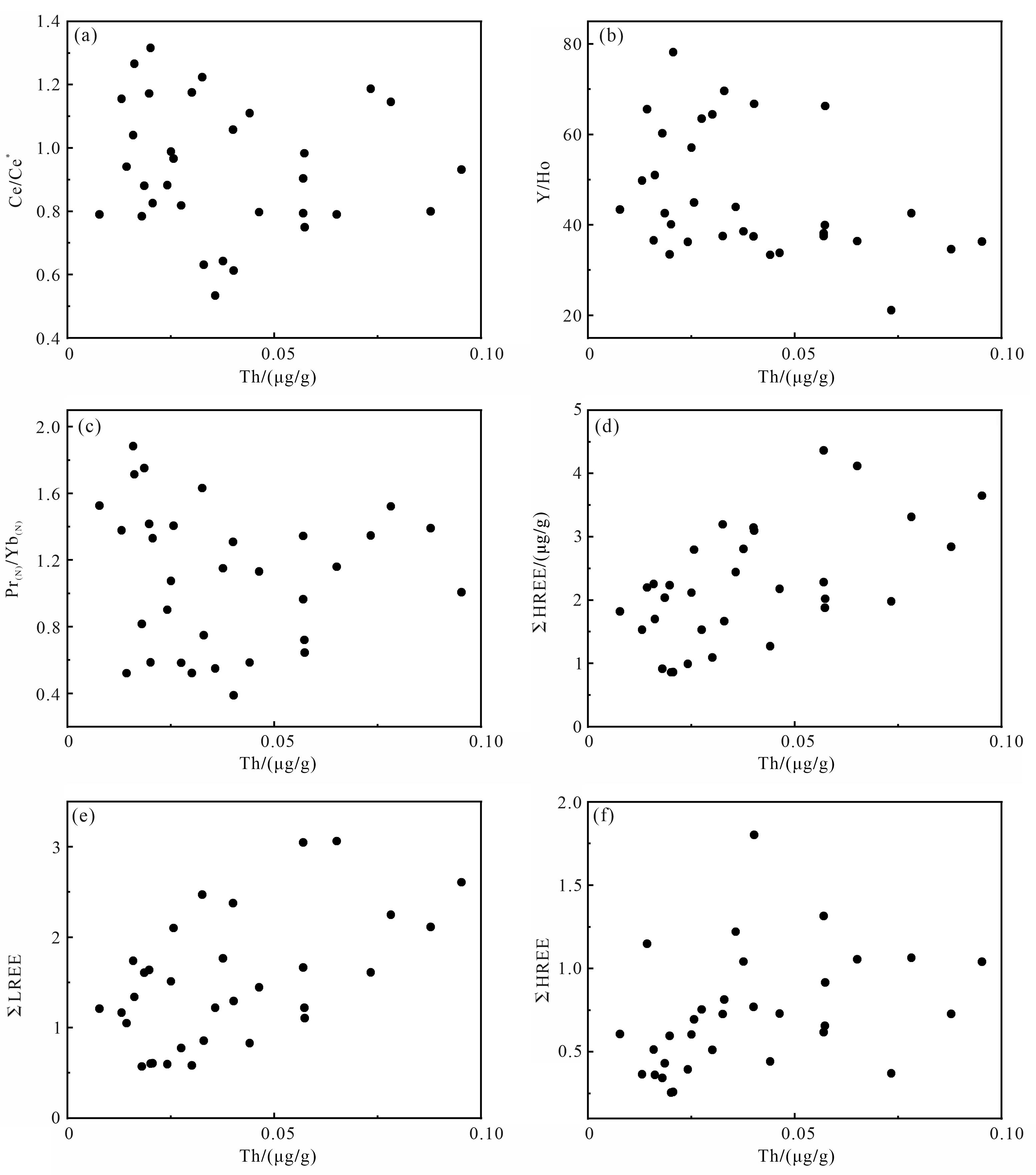
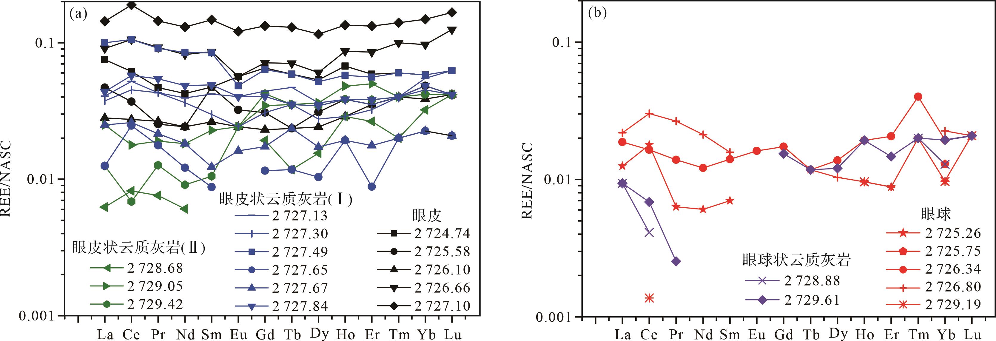
Objective Limestone-marlstone alterations (LMAs) are important archives of climatic, hydrological, and geological events. However, as a typical endmember of the LMAs, knowledge regarding the genesis of the LMAs with eyelid-eyeball structure from First member of the Maokou Formation in the Sichuan Basin is not widely accepted. This not only seriously affects environmental research of the LMAs with eyelid-eyeball structure, but also affects the efficiency of its exploration. Dolomitization is developed in the LMAs with eyelid-eyeball structure (mainly in the eyelids) of First member of the Maokou Formation of well DB1 during the penecontemporaneous and early diagenetic phase can be used to constrain the depositional environments of carbonate rocks. Methods Petrological and geochemical analyses have been conducted in detail, the process and the fluid properties of dolomitization has been discussed to constrain the process of LMAs with eyelid-eyeball structure. Results Three types of dolomitization developed in First member of the Maokou Formation, which are muddy dolomitic (EDM-I); limy dolomitic (EDM-II); and dolomitic marlstone (EDL). EDM-I has the highest degree of dolomitization, distinct bands of cathodoluminescence, a flat rare earth partitioning pattern, higher δ13C and δ18O values, but lower Y/Ho values relative to seawater; it was dolomitized by penecontemporaneous seawater mixed with a small amount of meteoric freshwater during the penecontemporaneous phase. EDM-II has a middle degree of dolomitization, a left leaning rare earth partitioning pattern, and values of δ13C, δ18O, 87Sr/86Sr, and Y/Ho similar to seawater; it was dolomitized by seawater with high Mg/Ca, which was induced by frequent sea-level rise and fall changes during the syn-sedimentary and penecontemporaneous phase. EDL has the lowest degree of dolomitization, a left leaning rare earth partitioning pattern, higher δ13C and δ18O values relative to EDM-II, and seawater-like Y/Ho values. EDL was dolomitized by the sealed seawater of the syn-sedimentary phase that has been alterated with the wall rocks in the early diagenetic stage. Conclusions The dolomitization of the LMAs with eyelid-eyeball structure by weakly evaporating seawater and seawater mixed with freshwater during the penecontemporaneous and early diagenetic phase requires that the LMAs deposited in a shallower water. The high mud content, high strontium isotope and rare earth element values, low carbon and oxygen isotope values,and Y/Ho values of the eyelid-like marlstone relative to the eyeball-like limestone indicate that the depth of water for the eyelid-like marlstone is shallower than that of the eyeball-like limestone during deposition. Therefore, the LMAs in First member of the Maokou Formation were produced under cyclic oscillation in the depositional environment, and their genesis may have been mainly influenced by sedimentary process.
Objective Limestone-marlstone alterations (LMAs) are important archives of climatic, hydrological, and geological events. However, as a typical endmember of the LMAs, knowledge regarding the genesis of the LMAs with eyelid-eyeball structure from First member of the Maokou Formation in the Sichuan Basin is not widely accepted. This not only seriously affects environmental research of the LMAs with eyelid-eyeball structure, but also affects the efficiency of its exploration. Dolomitization is developed in the LMAs with eyelid-eyeball structure (mainly in the eyelids) of First member of the Maokou Formation of well DB1 during the penecontemporaneous and early diagenetic phase can be used to constrain the depositional environments of carbonate rocks. Methods Petrological and geochemical analyses have been conducted in detail, the process and the fluid properties of dolomitization has been discussed to constrain the process of LMAs with eyelid-eyeball structure. Results Three types of dolomitization developed in First member of the Maokou Formation, which are muddy dolomitic (EDM-I); limy dolomitic (EDM-II); and dolomitic marlstone (EDL). EDM-I has the highest degree of dolomitization, distinct bands of cathodoluminescence, a flat rare earth partitioning pattern, higher δ13C and δ18O values, but lower Y/Ho values relative to seawater; it was dolomitized by penecontemporaneous seawater mixed with a small amount of meteoric freshwater during the penecontemporaneous phase. EDM-II has a middle degree of dolomitization, a left leaning rare earth partitioning pattern, and values of δ13C, δ18O, 87Sr/86Sr, and Y/Ho similar to seawater; it was dolomitized by seawater with high Mg/Ca, which was induced by frequent sea-level rise and fall changes during the syn-sedimentary and penecontemporaneous phase. EDL has the lowest degree of dolomitization, a left leaning rare earth partitioning pattern, higher δ13C and δ18O values relative to EDM-II, and seawater-like Y/Ho values. EDL was dolomitized by the sealed seawater of the syn-sedimentary phase that has been alterated with the wall rocks in the early diagenetic stage. Conclusions The dolomitization of the LMAs with eyelid-eyeball structure by weakly evaporating seawater and seawater mixed with freshwater during the penecontemporaneous and early diagenetic phase requires that the LMAs deposited in a shallower water. The high mud content, high strontium isotope and rare earth element values, low carbon and oxygen isotope values,and Y/Ho values of the eyelid-like marlstone relative to the eyeball-like limestone indicate that the depth of water for the eyelid-like marlstone is shallower than that of the eyeball-like limestone during deposition. Therefore, the LMAs in First member of the Maokou Formation were produced under cyclic oscillation in the depositional environment, and their genesis may have been mainly influenced by sedimentary process.
2026, 44(1): 54-67.
doi: 10.14027/j.issn.1000-0550.2024.035
Abstract:
Objective The redox states of the Early Ediacaran ocean have long been a research hotspot, particularly its material composition and distribution. The formation process of sedimentary barite nodules in the lower part of the Doushantuo Formation was studied to explore the redox variation of the Ediacaran ocean immediately after the Snowball Earth event using sedimentology and petrology. Additionally, a detailed analysis of the formation process of barite nodules in the lower part of the Doushantuo Formation in the northern part of the Yangtze Block, specifically at the Jinguadun profile, was conducted to infer its depositional environment. Methods Analysis on sedimentary environments of barite nodules from calcareous mudstone of the lower Doushantuo Formation in Jinguadun section were developed via sedimentologic and petromineralogical methods. Results Based on field observations, the surrounding rock layers were found to exhibit a distribution pattern around the nodules. Examining the contact relationships between the nodules and their internal bedding, in accordance with the summary by Sellés-Martínez in 1996, indicates that the barite nodules in this profile formed during the early burial stage. The barite, quartz, and pyrite are the three top authigenic sedimentary minerals in the nodules. The mineral distribution is stratified in the barite nodules. Specially, the inner layer contains dense pyrite aggregates dominated by euhedral-to-subhedral pyrite grains and quartz minerals that grow interwoven together. From the core to the outer edge, radial aggregates were developed in barite and quartz. This study preliminarily demonstrates that the formation of authigenic sedimentary minerals occurring in different parts of the barite nodules precipitate in different redox zones. First, in the sulfate reduction zone within the sediment, an area enriched in organic matter forms a loose outer shell primarily composed of pyrite aggregates. Subsequently, as burial depth increases towards the sulfate-methane transition zone, barite begins to deposit around the pyrite outer shell, causing the high-content pyrite aggregates to gradually become denser. The isolating effect of the pyrite aggregates results in a relatively closed internal space, impacting the deposition of stable barium ions and sulfate radicals by barite. In a slightly acidic environment, the process of pyrite generation promotes the stable deposition of quartz, leading to an internal mineral composition predominantly consisting of quartz. Simultaneously, the external environment evolves into a radial mixture of interwoven barite and quartz. This process highlights the interaction between pyrite and barite under different geological conditions and their influence on the deposition of barium ions and sulfate radicals. The Ba2+ sources in the barite likely originate from the methanogenic zone, where dissolution of labile and biogenic barite associated with organic matter occurs. The upward spreading Ba2+ ions react with downward diffusing seawater sulfate radicals and deposit barium sulfate in the upper front of sulfate-methane transition zone. Conclusions In summary, the barite nodules form in the early diagenetic soft sediments, exhibiting a phased development. In the initial stages, they are primarily composed of pyrite and quartz; in the later stages, barite and quartz deposition becomes dominant. With the increase in sulfate concentration, it is suggested that in the Early Ediacaran oceans, the sulfate reduction interface may have descended into the sediments near the water-rock interface. As a result, methane in the sulfate-methane transition zone underwent oxidation, thereby reducing their emissions into the atmosphere.
Objective The redox states of the Early Ediacaran ocean have long been a research hotspot, particularly its material composition and distribution. The formation process of sedimentary barite nodules in the lower part of the Doushantuo Formation was studied to explore the redox variation of the Ediacaran ocean immediately after the Snowball Earth event using sedimentology and petrology. Additionally, a detailed analysis of the formation process of barite nodules in the lower part of the Doushantuo Formation in the northern part of the Yangtze Block, specifically at the Jinguadun profile, was conducted to infer its depositional environment. Methods Analysis on sedimentary environments of barite nodules from calcareous mudstone of the lower Doushantuo Formation in Jinguadun section were developed via sedimentologic and petromineralogical methods. Results Based on field observations, the surrounding rock layers were found to exhibit a distribution pattern around the nodules. Examining the contact relationships between the nodules and their internal bedding, in accordance with the summary by Sellés-Martínez in 1996, indicates that the barite nodules in this profile formed during the early burial stage. The barite, quartz, and pyrite are the three top authigenic sedimentary minerals in the nodules. The mineral distribution is stratified in the barite nodules. Specially, the inner layer contains dense pyrite aggregates dominated by euhedral-to-subhedral pyrite grains and quartz minerals that grow interwoven together. From the core to the outer edge, radial aggregates were developed in barite and quartz. This study preliminarily demonstrates that the formation of authigenic sedimentary minerals occurring in different parts of the barite nodules precipitate in different redox zones. First, in the sulfate reduction zone within the sediment, an area enriched in organic matter forms a loose outer shell primarily composed of pyrite aggregates. Subsequently, as burial depth increases towards the sulfate-methane transition zone, barite begins to deposit around the pyrite outer shell, causing the high-content pyrite aggregates to gradually become denser. The isolating effect of the pyrite aggregates results in a relatively closed internal space, impacting the deposition of stable barium ions and sulfate radicals by barite. In a slightly acidic environment, the process of pyrite generation promotes the stable deposition of quartz, leading to an internal mineral composition predominantly consisting of quartz. Simultaneously, the external environment evolves into a radial mixture of interwoven barite and quartz. This process highlights the interaction between pyrite and barite under different geological conditions and their influence on the deposition of barium ions and sulfate radicals. The Ba2+ sources in the barite likely originate from the methanogenic zone, where dissolution of labile and biogenic barite associated with organic matter occurs. The upward spreading Ba2+ ions react with downward diffusing seawater sulfate radicals and deposit barium sulfate in the upper front of sulfate-methane transition zone. Conclusions In summary, the barite nodules form in the early diagenetic soft sediments, exhibiting a phased development. In the initial stages, they are primarily composed of pyrite and quartz; in the later stages, barite and quartz deposition becomes dominant. With the increase in sulfate concentration, it is suggested that in the Early Ediacaran oceans, the sulfate reduction interface may have descended into the sediments near the water-rock interface. As a result, methane in the sulfate-methane transition zone underwent oxidation, thereby reducing their emissions into the atmosphere.
2026, 44(1): 68-86.
doi: 10.14027/j.issn.1000-0550.2024.107
Abstract:
Objective Reconstruction of atmospheric carbon dioxide concentrations (pCO2) during the Cenomanian-Turonian (C-T) has been previously limited to stage-scale temporal resolutions, which have greatly constrained its effectiveness in unveiling the extreme greenhouse climate of the C-T period and perturbations in the global carbon cycle. Methods To enhance our understanding of pCO2 fluctuations and the paleoclimatic response during the C-T "greenhouse climate," this study reconstructed high-resolution atmospheric pCO2 and mean annual precipitation (MAP) during the C-T period by analyzing the stable carbon and oxygen isotopes of paleosol carbonates from the Upper Cretaceous Nanxin Formation in the Qamdo Basin, southeastern Xizang. Results Our results reveal a gradual decline in pCO2 during the Early Cenomanian period, followed by an increase in the Middle and Late Cenomanian stages. Moreover, we observed significant fluctuations in pCO2 during the Early and Middle Turonian stage. These findings align with the variations in pCO2 throughout the C-T period that have been estimated using the stomata ratio method of plant fossils and the geochemical models. In addition to the long-term pCO2 fluctuations, the paleosols of the Nanxin Formation also documented two crucial carbon cycle perturbations during the Cenomanian period: Oceanic Anoxia Event 2 (OAE2) and Mid-Cenomanian Event (MCE). The atmospheric pCO2 rose by 309 μmol/mol and followed by a rapid decline of 520 μmol/mol across the initiation of MCE, accompanied by a positive shift of 1.25‰ in organic carbon isotopes (13Corg). During OAE2, there were two distinct CO2 pulses, with the maximum pCO2 concentration coeval with the lowest 13Corg. The pCO2 increased up to approximately 1 300 μmol/mol at the OAE2 boundary, followed by a reduction of approximately 17% owing to substantial organic carbon burial during OAE2. The increased concentration of CO2 throughout the Mid-Late Cenomanian intensified the greenhouse effect and elevated atmospheric humidity, resulting in significant negative shifts in 13Corg that were decoupled with inorganic carbon isotopes. Our conclusion further suggests that there would be an increase of 511 mm/yr in MAP as the atmospheric pCO2 elevated from 500 μmol/mol to 1 000 μmol/mol during the C-T period. Conclusions We assumed that the elevated atmospheric pCO2 and climatic sensitivity during the mid-Cretaceous considerably intensified the hydrological cycle, contributing to an extreme greenhouse climate period.
Objective Reconstruction of atmospheric carbon dioxide concentrations (pCO2) during the Cenomanian-Turonian (C-T) has been previously limited to stage-scale temporal resolutions, which have greatly constrained its effectiveness in unveiling the extreme greenhouse climate of the C-T period and perturbations in the global carbon cycle. Methods To enhance our understanding of pCO2 fluctuations and the paleoclimatic response during the C-T "greenhouse climate," this study reconstructed high-resolution atmospheric pCO2 and mean annual precipitation (MAP) during the C-T period by analyzing the stable carbon and oxygen isotopes of paleosol carbonates from the Upper Cretaceous Nanxin Formation in the Qamdo Basin, southeastern Xizang. Results Our results reveal a gradual decline in pCO2 during the Early Cenomanian period, followed by an increase in the Middle and Late Cenomanian stages. Moreover, we observed significant fluctuations in pCO2 during the Early and Middle Turonian stage. These findings align with the variations in pCO2 throughout the C-T period that have been estimated using the stomata ratio method of plant fossils and the geochemical models. In addition to the long-term pCO2 fluctuations, the paleosols of the Nanxin Formation also documented two crucial carbon cycle perturbations during the Cenomanian period: Oceanic Anoxia Event 2 (OAE2) and Mid-Cenomanian Event (MCE). The atmospheric pCO2 rose by 309 μmol/mol and followed by a rapid decline of 520 μmol/mol across the initiation of MCE, accompanied by a positive shift of 1.25‰ in organic carbon isotopes (13Corg). During OAE2, there were two distinct CO2 pulses, with the maximum pCO2 concentration coeval with the lowest 13Corg. The pCO2 increased up to approximately 1 300 μmol/mol at the OAE2 boundary, followed by a reduction of approximately 17% owing to substantial organic carbon burial during OAE2. The increased concentration of CO2 throughout the Mid-Late Cenomanian intensified the greenhouse effect and elevated atmospheric humidity, resulting in significant negative shifts in 13Corg that were decoupled with inorganic carbon isotopes. Our conclusion further suggests that there would be an increase of 511 mm/yr in MAP as the atmospheric pCO2 elevated from 500 μmol/mol to 1 000 μmol/mol during the C-T period. Conclusions We assumed that the elevated atmospheric pCO2 and climatic sensitivity during the mid-Cretaceous considerably intensified the hydrological cycle, contributing to an extreme greenhouse climate period.
2026, 44(1): 87-105.
doi: 10.14027/j.issn.1000-0550.2024.046
Abstract:
Objective Upward shallowing sequences are widely developed in shallow-water carbonate environments, and the identification of upward shallowing sequences in deep-water carbonate rocks has a unique advantage in analyzing the evolutionary process of shallow-water carbonate sedimentary environments. Analyzing the high-precision upward shallowing sequences of the late Cambrian Xixiangchi Formation in the Upper Yangtze region can provide important references for understanding the late Cambrian global environmental changes. Methods Detailed field sedimentological dissection and indoor microfacies analysis were conducted on the upper Cambrian Xixiangchi Formation in Chengkou town along the northern margin of the Upper Yangtze. Carbonate rock decimeter- and meter-scale upward shallowing sequences were identified, and their compositional characteristics and vertical superposition relationships were analyzed to explore the sedimentary environment and its evolution in the late Cambrian of the Upper Yangtze region. Results Based on detailed field observations and thin section identification, and referring to the Flügel sedimentary microfacies classification scheme, 14 microfacies types were identified in the Xixiangchi Formation at the Chengkou section, including subtidal sedimentary microfacies MF0-MF10; intertidal sedimentary microfacies MF11-MF12; and supratidal sedimentary microfacies MF13. These microfacies include: MF0 argillaceous shale, MF1 micrite, MF2 bright crystal gravel limestone, MF3 bright crystal sand limestone, MF4 muddy siltstone, MF5 dolomitic microcrystalline limestone, MF6 gravel dolomite, MF7 bright crystal sand dolomite, MF8 sandy gravel dolomite, MF9 sandy dolarenite, MF10 sandy dolomite, MF11 laminated dolomite, MF12 bamboo leaf-like gravel dolomite, and MF13 grain dolomite with dissolution pores. Based on microfacies interpretation and vertical stacking relationships, C1-1 to C1-6 decimeter-scale upward shallowing subtidal, C2-1 to C2-6 decimeter-scale upward shallowing subtidal to intertidal, and C3-1 to C3-2 decimeter-scale upward shallowing intertidal to supratidal sedimentary sequences were identified. These decimeter-scale upward shallowing cycles constitute three secondary transgressive-regressive sedimentary cycles, which from bottom to top, constitute the rapid transgression-slow regression upward shallowing sedimentary cycle of the Xixiangchi Formation. Secondary cycle I was developed by subtidal sedimentary microfacies, secondary cycle II was developed by subtidal to intertidal sedimentary microfacies, and secondary cycle III was developed by intertidal to supratidal sedimentary microfacies. From bottom to top, the thickness of subtidal sedimentary microfacies in the lower part of each secondary cycle decreases successively, whereas the thickness and exposure degree of intertidal to supratidal sedimentary microfacies in the upper part of each secondary cycle gradually increase. Conclusions Based on the identification of upward shallowing sedimentary sequences and the analysis of their compositional characteristics and vertical stacking relationships, the Xixiangchi Formation in the late Cambrian was significantly influenced by high-frequency sea level changes, strongly controlled by tides, waves, and storms. It experienced early rapid transgression and late slow regression, and underwent multiple secondary transgressive-regressive cycles, forming a limited carbonate platform sedimentation model characterized by mixed tidal flat subfacies, micritic lagoon subfacies, and intraplatform grain shoal subfacies. Furthermore, the development of paleo-weathering crust at the top indicates significant regression and erosion events in the late Cambrian in this region. By comparing with chronostratigraphic and evolutionary characteristics of platforms in the Yangtze Platform, North China Platform, Tarim Platform, United States, and Australia, it further confirms the global sea level fall events in the late Cambrian.
Objective Upward shallowing sequences are widely developed in shallow-water carbonate environments, and the identification of upward shallowing sequences in deep-water carbonate rocks has a unique advantage in analyzing the evolutionary process of shallow-water carbonate sedimentary environments. Analyzing the high-precision upward shallowing sequences of the late Cambrian Xixiangchi Formation in the Upper Yangtze region can provide important references for understanding the late Cambrian global environmental changes. Methods Detailed field sedimentological dissection and indoor microfacies analysis were conducted on the upper Cambrian Xixiangchi Formation in Chengkou town along the northern margin of the Upper Yangtze. Carbonate rock decimeter- and meter-scale upward shallowing sequences were identified, and their compositional characteristics and vertical superposition relationships were analyzed to explore the sedimentary environment and its evolution in the late Cambrian of the Upper Yangtze region. Results Based on detailed field observations and thin section identification, and referring to the Flügel sedimentary microfacies classification scheme, 14 microfacies types were identified in the Xixiangchi Formation at the Chengkou section, including subtidal sedimentary microfacies MF0-MF10; intertidal sedimentary microfacies MF11-MF12; and supratidal sedimentary microfacies MF13. These microfacies include: MF0 argillaceous shale, MF1 micrite, MF2 bright crystal gravel limestone, MF3 bright crystal sand limestone, MF4 muddy siltstone, MF5 dolomitic microcrystalline limestone, MF6 gravel dolomite, MF7 bright crystal sand dolomite, MF8 sandy gravel dolomite, MF9 sandy dolarenite, MF10 sandy dolomite, MF11 laminated dolomite, MF12 bamboo leaf-like gravel dolomite, and MF13 grain dolomite with dissolution pores. Based on microfacies interpretation and vertical stacking relationships, C1-1 to C1-6 decimeter-scale upward shallowing subtidal, C2-1 to C2-6 decimeter-scale upward shallowing subtidal to intertidal, and C3-1 to C3-2 decimeter-scale upward shallowing intertidal to supratidal sedimentary sequences were identified. These decimeter-scale upward shallowing cycles constitute three secondary transgressive-regressive sedimentary cycles, which from bottom to top, constitute the rapid transgression-slow regression upward shallowing sedimentary cycle of the Xixiangchi Formation. Secondary cycle I was developed by subtidal sedimentary microfacies, secondary cycle II was developed by subtidal to intertidal sedimentary microfacies, and secondary cycle III was developed by intertidal to supratidal sedimentary microfacies. From bottom to top, the thickness of subtidal sedimentary microfacies in the lower part of each secondary cycle decreases successively, whereas the thickness and exposure degree of intertidal to supratidal sedimentary microfacies in the upper part of each secondary cycle gradually increase. Conclusions Based on the identification of upward shallowing sedimentary sequences and the analysis of their compositional characteristics and vertical stacking relationships, the Xixiangchi Formation in the late Cambrian was significantly influenced by high-frequency sea level changes, strongly controlled by tides, waves, and storms. It experienced early rapid transgression and late slow regression, and underwent multiple secondary transgressive-regressive cycles, forming a limited carbonate platform sedimentation model characterized by mixed tidal flat subfacies, micritic lagoon subfacies, and intraplatform grain shoal subfacies. Furthermore, the development of paleo-weathering crust at the top indicates significant regression and erosion events in the late Cambrian in this region. By comparing with chronostratigraphic and evolutionary characteristics of platforms in the Yangtze Platform, North China Platform, Tarim Platform, United States, and Australia, it further confirms the global sea level fall events in the late Cambrian.
2026, 44(1): 106-122.
doi: 10.14027/j.issn.1000-0550.2024.044
Abstract:
Objective The 1st member of Jurassic Badaowan Formation (J1b1) in the slope area of Mahu Sag is a set of sandy (gravel) rock deposits of coal-bearing rock series close to the Jurassic / Triassic (J/T) unconformity. The shale rich conglomerate belt near the bottom of the J/T unconformity has clear oil and gas thickened, and light oil and gas are concentrated in the thin sandstone belt above the coal seam. There is still no research on the origin of oil and gas thickening zone in the relatively deep buried area, the percolation mechanism of atmospheric fresh water to overlying strata on the unconformity surface, and the origin of light oil and gas enrichment above coal seam of coal-bearing rock series. Methods Based on the properties of crude oil and carbon isotope analysis of natural gas, combined with the data of burial history, thermal history, pore evolution history, and laser Raman spectrum analysis of hydrocarbon salt water inclusions, the genetic types of J1b1 natural gas and the origin and distribution of hydrocarbon thickening zone and light oil and gas zone are discussed. Results (1) The J1b1 coal-bearing rock series can be divided into oil and gas thickening zone and light oil and gas zone based on the characteristics of oil and gas density viscosity. The former is mainly distributed in the upper wall of the fault zone, the fault zone, and the bottom of the slope zone adjacent to the J/T unconformity. The latter is distributed in the thin sandstone zone above the coal seam in the slope zone, and the coal-derived gas content is high. (2) The origin of the shale rich conglomerate oil and gas thickening zone at the bottom of the slope zone adjacent to the J/T unconformity is closely related to the atmospheric freshwater compacting-centrifugal flow oxidation degradation. The “Yanshan normal fault - J/T unconformity - shale rich conglomerate assemblage” and the associated capillary imbibition of wetting water phase led to the formation of atmospheric freshwater compaction-centrifugal flow oil-gas thickening zone closely related to the unconformity in the slope area of relatively deep burial. (3) The thin sandstone reservoir above the coal seam has the characteristics of “self-generated and self-stored (deinspiratory charging in the J1b1 coal seam)” and “bottom-generated and upper-stored (hydrocarbon supply from P1 f source rock)” and has the advantage of light oil and gas enrichment. The coal seam desorption diffused upward through the positive fracture into the thin sandstone at the top, and the methane carbon isotope value was relatively light, which was different from the retained adsorbed gas in the coal seam (δ13C1=-48.2‰ in the former and δ13C1=-43.6‰ in the latter). The geological stratification effect caused by long distance migration of P1f source rock oil and gas further promotes the accumulation of light oil and gas in thin sandstone above the coal seam. Conclusions The upper thin sandstone belt of J1b1 is the first choice for exploration of light oil and gas enrichment belt. The quantitative lithological logging identification map of coal-bearing rock series with the combined restraint of CNL-IMP was established, and the effective reservoir distribution area of the upper thin sandstone of J1b1 with a thickness≥10m was identified in the Yanbei1 three-dimensional (3D) seismic zone.
Objective The 1st member of Jurassic Badaowan Formation (J1b1) in the slope area of Mahu Sag is a set of sandy (gravel) rock deposits of coal-bearing rock series close to the Jurassic / Triassic (J/T) unconformity. The shale rich conglomerate belt near the bottom of the J/T unconformity has clear oil and gas thickened, and light oil and gas are concentrated in the thin sandstone belt above the coal seam. There is still no research on the origin of oil and gas thickening zone in the relatively deep buried area, the percolation mechanism of atmospheric fresh water to overlying strata on the unconformity surface, and the origin of light oil and gas enrichment above coal seam of coal-bearing rock series. Methods Based on the properties of crude oil and carbon isotope analysis of natural gas, combined with the data of burial history, thermal history, pore evolution history, and laser Raman spectrum analysis of hydrocarbon salt water inclusions, the genetic types of J1b1 natural gas and the origin and distribution of hydrocarbon thickening zone and light oil and gas zone are discussed. Results (1) The J1b1 coal-bearing rock series can be divided into oil and gas thickening zone and light oil and gas zone based on the characteristics of oil and gas density viscosity. The former is mainly distributed in the upper wall of the fault zone, the fault zone, and the bottom of the slope zone adjacent to the J/T unconformity. The latter is distributed in the thin sandstone zone above the coal seam in the slope zone, and the coal-derived gas content is high. (2) The origin of the shale rich conglomerate oil and gas thickening zone at the bottom of the slope zone adjacent to the J/T unconformity is closely related to the atmospheric freshwater compacting-centrifugal flow oxidation degradation. The “Yanshan normal fault - J/T unconformity - shale rich conglomerate assemblage” and the associated capillary imbibition of wetting water phase led to the formation of atmospheric freshwater compaction-centrifugal flow oil-gas thickening zone closely related to the unconformity in the slope area of relatively deep burial. (3) The thin sandstone reservoir above the coal seam has the characteristics of “self-generated and self-stored (deinspiratory charging in the J1b1 coal seam)” and “bottom-generated and upper-stored (hydrocarbon supply from P1 f source rock)” and has the advantage of light oil and gas enrichment. The coal seam desorption diffused upward through the positive fracture into the thin sandstone at the top, and the methane carbon isotope value was relatively light, which was different from the retained adsorbed gas in the coal seam (δ13C1=-48.2‰ in the former and δ13C1=-43.6‰ in the latter). The geological stratification effect caused by long distance migration of P1f source rock oil and gas further promotes the accumulation of light oil and gas in thin sandstone above the coal seam. Conclusions The upper thin sandstone belt of J1b1 is the first choice for exploration of light oil and gas enrichment belt. The quantitative lithological logging identification map of coal-bearing rock series with the combined restraint of CNL-IMP was established, and the effective reservoir distribution area of the upper thin sandstone of J1b1 with a thickness≥10m was identified in the Yanbei1 three-dimensional (3D) seismic zone.
2026, 44(1): 123-136.
doi: 10.14027/j.issn.1000-0550.2024.008
Abstract:
Objective The reticulated laterite in southern China is a good geological carrier for Quaternary environmental changes, but there is still a weakness in microscopic research on sandstone reticulation. Methods Through micro-area analysis techniques, geostatistical and factor analysis, and other methods, we conducted elemental geochemical analysis on the white vein micro-area of the sandstone and reticular red clay in the Langxi profile. Results (1)The content of iron group elements such as Fe2O3 (1.14%-13.29%) and Mn (87×10-6-3 230×10-6) in sandstone layers increased from the center of the white veins to the periphery. However, the spatial distribution of other major elements and stable elements such as Ti (1 294×10-6-2 454×10-6) and Zr (171 ×10-6-197×10-6) showed the opposite trend. The results of the reticulated red soil layer are consistent. (2) Ti/Zr (sandstone layer: 7.23-12.89; reticulated red soil layer: 12.82-21.84) and Ti/Al2O3 (sandstone layer: 0.013-0.018; reticulated red soil layer: 0.044-0.062) were divided into two groups through cluster analysis and scatter plots. The results show that they have different provenances. (3) The leaching intensity of elements such as Al2O3 (17.3%), Fe2O3 (73.91%), and MnO (76.68%) in the sandstone white vein micro-area and Al2O3 (15.78%) , Fe2O3 (70.39%), and MnO (74.84%) in the reticulated red soil layer white vein micro-area decreased from the center of the white veins to the periphery. (4) The common factors in the white vein micro-area of the sandstone layer and the reticulated red soil layer are that they reflect the leaching migration of iron and iron group elements in the white vein, as well as the relative enrichment process of constant elements such as Al2O3, SiO2,and K2O and stable elements such as Ti and Zr. Conclusions During reticulation, the leaching of iron group elements dominates, but other elements also have a certain degree of migration. Additionally, it exhibits spatial characteristics of strong leaching at the center of the network pattern and weak leaching at the periphery. Affected by local environmental differences, the development of reticulation is a spatial process that expands from the center of the reticulation to the periphery. The material composition inside the reticulate pattern is non spatially homogeneous. The sandstone and reticulated red soil layers have different material foundations, and the larger reticulation in the sandstone layer indicates that it experienced a relatively humid and hot climate during its development.
Objective The reticulated laterite in southern China is a good geological carrier for Quaternary environmental changes, but there is still a weakness in microscopic research on sandstone reticulation. Methods Through micro-area analysis techniques, geostatistical and factor analysis, and other methods, we conducted elemental geochemical analysis on the white vein micro-area of the sandstone and reticular red clay in the Langxi profile. Results (1)The content of iron group elements such as Fe2O3 (1.14%-13.29%) and Mn (87×10-6-3 230×10-6) in sandstone layers increased from the center of the white veins to the periphery. However, the spatial distribution of other major elements and stable elements such as Ti (1 294×10-6-2 454×10-6) and Zr (171 ×10-6-197×10-6) showed the opposite trend. The results of the reticulated red soil layer are consistent. (2) Ti/Zr (sandstone layer: 7.23-12.89; reticulated red soil layer: 12.82-21.84) and Ti/Al2O3 (sandstone layer: 0.013-0.018; reticulated red soil layer: 0.044-0.062) were divided into two groups through cluster analysis and scatter plots. The results show that they have different provenances. (3) The leaching intensity of elements such as Al2O3 (17.3%), Fe2O3 (73.91%), and MnO (76.68%) in the sandstone white vein micro-area and Al2O3 (15.78%) , Fe2O3 (70.39%), and MnO (74.84%) in the reticulated red soil layer white vein micro-area decreased from the center of the white veins to the periphery. (4) The common factors in the white vein micro-area of the sandstone layer and the reticulated red soil layer are that they reflect the leaching migration of iron and iron group elements in the white vein, as well as the relative enrichment process of constant elements such as Al2O3, SiO2,and K2O and stable elements such as Ti and Zr. Conclusions During reticulation, the leaching of iron group elements dominates, but other elements also have a certain degree of migration. Additionally, it exhibits spatial characteristics of strong leaching at the center of the network pattern and weak leaching at the periphery. Affected by local environmental differences, the development of reticulation is a spatial process that expands from the center of the reticulation to the periphery. The material composition inside the reticulate pattern is non spatially homogeneous. The sandstone and reticulated red soil layers have different material foundations, and the larger reticulation in the sandstone layer indicates that it experienced a relatively humid and hot climate during its development.
2026, 44(1): 137-154.
doi: 10.14027/j.issn.1000-0550.2024.037
Abstract:
Objective Mixed sediments were widely developed in the lower First member of the Shahejie Formation in the Lixian slope and their influence on the development of hydrocarbon reservoirs is of great significance. The aim of this study was to clarify their properties to determine the target area for exploration and development in the next step. Methods The types, distribution regularity, control factors, sedimentary model and mechanism of high-quality reservoir formation in mixed sediments were analyzed from cores, thin sections, seismic well logging and laboratory analysis data. Results Two types of mixed sedimentation occur in the study area: mixed sedimentary rock and mixed sedimentary strata. Three major categories of mixed sedimentary rock (mixed sandstones, mixed mudstones and mixed carbonate rocks) are further divided into six types. The mixed sedimentary strata are divided into 16 types in four lithofacies assemblages: terrigenous rock-carbonate rock, terrigenous rock-mixosedimentite, carbonate rock-mixosedimentite, and mixosedimentite. The lower First member of Shahejie Formation in the Lixian slope has typical mixed features, which occur in eight microfacies types: underwater distributary channel microfacies, mouth bar sheet microfacies, underwater diversion bay microfacies, mud flat microfacies, sandy beach bar microfacies, carbonate beach bar microfacies, inner beach microfacies and semi-deep lake mud microfacies. The mixed sediments display rapid phase transformation laterally, and multiple rock types are frequently superimposed vertically. The mixed sediments are distributed differently at different intervals, two mixed depositional models are evident, one developed during lowstand periods, and one during highstand periods influenced by climatic and water environments, tectonic background, paleogeomorphology, sediment supply and lake level changes. The mixed sediments play a significant role in reservoir control; the sandy beach bars and carbonate beach bars that were developed in high-energy facies zones contain the most favorable mixed sedimentary microfacies. A closed saline water environment is the foundation of reservoir formation, controlling the formation and distribution of high-quality reservoirs; sedimentary cycles control the degree of development and distribution. Conclusions The paleogeomorphology highland in the southwestern region contains favorable areas for mixed beach bar development and exploration.
Objective Mixed sediments were widely developed in the lower First member of the Shahejie Formation in the Lixian slope and their influence on the development of hydrocarbon reservoirs is of great significance. The aim of this study was to clarify their properties to determine the target area for exploration and development in the next step. Methods The types, distribution regularity, control factors, sedimentary model and mechanism of high-quality reservoir formation in mixed sediments were analyzed from cores, thin sections, seismic well logging and laboratory analysis data. Results Two types of mixed sedimentation occur in the study area: mixed sedimentary rock and mixed sedimentary strata. Three major categories of mixed sedimentary rock (mixed sandstones, mixed mudstones and mixed carbonate rocks) are further divided into six types. The mixed sedimentary strata are divided into 16 types in four lithofacies assemblages: terrigenous rock-carbonate rock, terrigenous rock-mixosedimentite, carbonate rock-mixosedimentite, and mixosedimentite. The lower First member of Shahejie Formation in the Lixian slope has typical mixed features, which occur in eight microfacies types: underwater distributary channel microfacies, mouth bar sheet microfacies, underwater diversion bay microfacies, mud flat microfacies, sandy beach bar microfacies, carbonate beach bar microfacies, inner beach microfacies and semi-deep lake mud microfacies. The mixed sediments display rapid phase transformation laterally, and multiple rock types are frequently superimposed vertically. The mixed sediments are distributed differently at different intervals, two mixed depositional models are evident, one developed during lowstand periods, and one during highstand periods influenced by climatic and water environments, tectonic background, paleogeomorphology, sediment supply and lake level changes. The mixed sediments play a significant role in reservoir control; the sandy beach bars and carbonate beach bars that were developed in high-energy facies zones contain the most favorable mixed sedimentary microfacies. A closed saline water environment is the foundation of reservoir formation, controlling the formation and distribution of high-quality reservoirs; sedimentary cycles control the degree of development and distribution. Conclusions The paleogeomorphology highland in the southwestern region contains favorable areas for mixed beach bar development and exploration.
2026, 44(1): 155-165.
doi: 10.14027/j.issn.1000-0550.2024.005
Abstract:
Objective The Paleogene Shahejie Formation around the Bozhong Sag, Bohai Bay Basin, contains mixed-rock reservoirs with abundant oil and gas resources. The unique biomass cavity pores (lumens) in mixed-rock reservoirs are such that their initial porosity cannot be obtained by conventional formulas. No methods are known in China or elsewhere for recovering the initial porosity for mixed rocks, although accurate recovery is a key element in determining the evolution of the reservoir. Methods Experimental and numerical methods were used to determine the volume of the body cavity in modern snail samples. A physical simulation experiment was then conducted to simulate the cavity infill conditions in an actual depositional environment. Finally, a formula for calculating the initial porosity of mixed-rock reservoirs was derived based on commonly used formulas. Results Studies have shown that differences in the snail species have the greatest effect on the percentage of body cavity pore volume (i.e., body cavity porosity). Within the same species, the main reason for the difference in body cavity porosity is the size of the body cavity. For example, the mixed-rock sample from well QHD36-3-A at a depth of 3 765.03 m, with a high content of fragmented bioclasts, has an initial porosity of 51.68%. Conclusions A new calculation method for finding the initial porosity of mixed rocks is proposed based on previous formulas combined with physical simulation experiments. This is highly significant in the study of mixed-rock reservoir evolution.
Objective The Paleogene Shahejie Formation around the Bozhong Sag, Bohai Bay Basin, contains mixed-rock reservoirs with abundant oil and gas resources. The unique biomass cavity pores (lumens) in mixed-rock reservoirs are such that their initial porosity cannot be obtained by conventional formulas. No methods are known in China or elsewhere for recovering the initial porosity for mixed rocks, although accurate recovery is a key element in determining the evolution of the reservoir. Methods Experimental and numerical methods were used to determine the volume of the body cavity in modern snail samples. A physical simulation experiment was then conducted to simulate the cavity infill conditions in an actual depositional environment. Finally, a formula for calculating the initial porosity of mixed-rock reservoirs was derived based on commonly used formulas. Results Studies have shown that differences in the snail species have the greatest effect on the percentage of body cavity pore volume (i.e., body cavity porosity). Within the same species, the main reason for the difference in body cavity porosity is the size of the body cavity. For example, the mixed-rock sample from well QHD36-3-A at a depth of 3 765.03 m, with a high content of fragmented bioclasts, has an initial porosity of 51.68%. Conclusions A new calculation method for finding the initial porosity of mixed rocks is proposed based on previous formulas combined with physical simulation experiments. This is highly significant in the study of mixed-rock reservoir evolution.
2026, 44(1): 166-181.
doi: 10.14027/j.issn.1000-0550.2024.010
Abstract:
Objective The southern Persian Gulf Fars region is strategically significant for Chinese overseas exploration due to its abundant Middle Permian to Lower Triassic oil and gas resources. However, currently available research lacks a comprehensive description of sequence stratigraphy and sedimentary evolution in this geological succession. The objective is to bridge these gaps. Methods This study focused on the middle to Late Permian Dalan Formation and the Lower Triassic Kangan Formation. Utilizing data from individual wells, cross-sections, core samples, thin sections, well logging, along with consideration of the regional geological context and taking existing knowledge into account, the study conducted sequence stratigraphic division of the target succession in the research area and conducted a detailed analysis of the characteristics and evolution of the depositional systems of each sequence. Results It was found that, in the study area, the Dalan Formation and Kangan Formation exhibit six sequence boundaries and five maximum flooding surfaces. On this basis, the stratum were divided into five third-order sequences, each comprising a transgressive systems tract and a highstand systems tract. Fischer plots based on gamma ray log curves for the Dalan Formation show significant transgressive and regressive processes during the SQ1 and SQ4 depositional periods. During the SQ3⁃SQ4 sequence development, limited accommodation space and a relatively low sea level were evident in the study area. The target succession represents a carbonate ramp depositional environment, further divided into inner-, middle- and outer ramp sub-environments. The inner ramp predominates, and was subdivided into six depositional microfacies: sabkha in the tidal zone, intertidal flat, lagoon, leeward shoal, mid-shoal, and seaward shoal. Each microfacies exhibits distinct lithologies such as anhydrite and anhydritic limestone in the sabkha and intertidal flat environments, limestone and anhydritic limestone in the lagoon environment, and grainstone and packstone in the shoal environments. The middle and outer ramp depositional environments were characterized by muddy limestone and marlstone with bioclasts. The sedimentation period in the study area was an arid and hot shallow-water carbonate depositional environment. During SQ1⁃SQ2 deposition, the rate of accommodation space growth was less than the sedimentation rate, leading to the development of a progradational depositional pattern. In the SQ3 deposition period, the rate of accommodation space growth exceeded the sedimentation rate, resulting in a retrogradational and aggradational depositional pattern. The SQ4 deposition period experienced a sea-level decrease, leading to a progradational depositional pattern. In the SQ5 deposition period, influenced by the expansion of the NeoTethys Ocean, tectonic activity along the basement fault caused subsidence in the eastern region, increasing accommodation space. The main depositional pattern was retrogradational. Conclusions Through the analysis of sequence stratigraphic characteristics and depositional systems, combined with the evolution of global sea level and the Neo-Tethys Ocean, it is concluded that the relative change between tectonically controlled accommodation space and sedimentation rate is the primary controlling factor for the regional sedimentary evolution.
Objective The southern Persian Gulf Fars region is strategically significant for Chinese overseas exploration due to its abundant Middle Permian to Lower Triassic oil and gas resources. However, currently available research lacks a comprehensive description of sequence stratigraphy and sedimentary evolution in this geological succession. The objective is to bridge these gaps. Methods This study focused on the middle to Late Permian Dalan Formation and the Lower Triassic Kangan Formation. Utilizing data from individual wells, cross-sections, core samples, thin sections, well logging, along with consideration of the regional geological context and taking existing knowledge into account, the study conducted sequence stratigraphic division of the target succession in the research area and conducted a detailed analysis of the characteristics and evolution of the depositional systems of each sequence. Results It was found that, in the study area, the Dalan Formation and Kangan Formation exhibit six sequence boundaries and five maximum flooding surfaces. On this basis, the stratum were divided into five third-order sequences, each comprising a transgressive systems tract and a highstand systems tract. Fischer plots based on gamma ray log curves for the Dalan Formation show significant transgressive and regressive processes during the SQ1 and SQ4 depositional periods. During the SQ3⁃SQ4 sequence development, limited accommodation space and a relatively low sea level were evident in the study area. The target succession represents a carbonate ramp depositional environment, further divided into inner-, middle- and outer ramp sub-environments. The inner ramp predominates, and was subdivided into six depositional microfacies: sabkha in the tidal zone, intertidal flat, lagoon, leeward shoal, mid-shoal, and seaward shoal. Each microfacies exhibits distinct lithologies such as anhydrite and anhydritic limestone in the sabkha and intertidal flat environments, limestone and anhydritic limestone in the lagoon environment, and grainstone and packstone in the shoal environments. The middle and outer ramp depositional environments were characterized by muddy limestone and marlstone with bioclasts. The sedimentation period in the study area was an arid and hot shallow-water carbonate depositional environment. During SQ1⁃SQ2 deposition, the rate of accommodation space growth was less than the sedimentation rate, leading to the development of a progradational depositional pattern. In the SQ3 deposition period, the rate of accommodation space growth exceeded the sedimentation rate, resulting in a retrogradational and aggradational depositional pattern. The SQ4 deposition period experienced a sea-level decrease, leading to a progradational depositional pattern. In the SQ5 deposition period, influenced by the expansion of the NeoTethys Ocean, tectonic activity along the basement fault caused subsidence in the eastern region, increasing accommodation space. The main depositional pattern was retrogradational. Conclusions Through the analysis of sequence stratigraphic characteristics and depositional systems, combined with the evolution of global sea level and the Neo-Tethys Ocean, it is concluded that the relative change between tectonically controlled accommodation space and sedimentation rate is the primary controlling factor for the regional sedimentary evolution.
2026, 44(1): 182-200.
doi: 10.14027/j.issn.1000-0550.2024.012
Abstract:
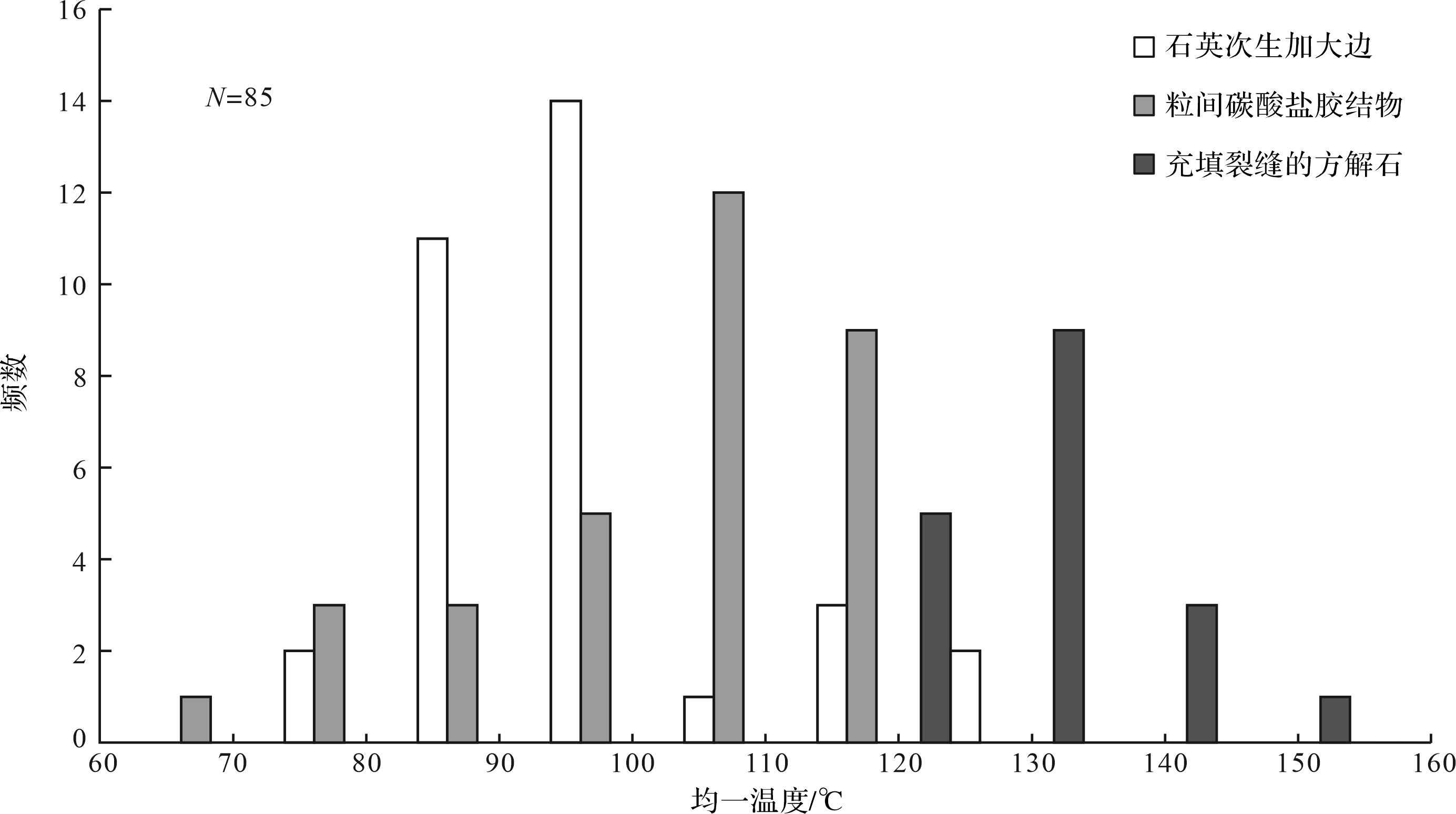
Objective The Dengying Formation in the Penglai area of central Sichuan has achieved a major breakthrough in petroleum exploration. The Fourth member of the Dengying Formation has experienced multiple stages of oil and gas charging owing to its large burial depth, old age, and complex diagenetic evolution. However, the relationship between reservoir pore evolution and oil and gas charging remains unclear. Methods Based on drilling coring data, the petrological types, reservoir space characteristics, diagenetic types, diagenetic evolution sequence, pore evolution, and hydrocarbon charging of the Fourth member of the Dengying Formation were studied through thin section observation, cathodoluminescence, in situ microelement analysis, and fluid inclusion. Results The reservoir rock types of the Fourth member of the Dengying Formation in the Penglai area are mainly crystalline, granular, and microbial dolomite. The types of reservoir space can be divided into three types: cave, pore, and fracture. The main diagenetic types are syngene-parsyngenetic dissolution, epigenetic dissolution, buried dissolution, cementation and filling, tectonic rupture, silicification, and compaction. Diagenesis in different stages jointly controls the evolution of reservoir pores in the four members of the Dengying Formation, among which the constructive diagenesis is dissolution and rupture in different periods, and the destructive diagenesis is compaction and pressure-dissolution and cementation and filling. Conclusions The filling sequence of cement in the solution holes of the Fourth member of the reservoir can be divided into: the first generation blade-like dolomite → the second generation powdery dolomite → the first stage bitumen → the third generation fine crystalline dolomite → the fourth generation medium crystalline dolomite → the fifth generation coarse crystalline dolomite → the sixth generation giant crystalline saddle-shaped dolomite → the second stage bitumen → the seventh generation quartz, fluorite and other minerals. Based on the information, such as type, phase state, and homogenization temperature, of fluid inclusions captured by cemented fill of each stage the oil-gas charging process of the Fourth member of the Dengying Formation in the Penglai area was reconstructed, as follows: Paleo-oil reservoir charging in the Middle and Late Silurian period (the first phase of fossil oil reservoir) → Late Caledonian paleo-oil reservoir destruction → Middle Triassic paleo-oil reservoir charging (the second phase of fossil oil reservoir) → Late Jurassic paleo-gas cracking in paleo-oil reservoir → the adjustment and formation of paleo-gas reservoir from the Late Cretaceous to present, in which the late oil cracking gas → gaseous hydrocarbon charging is the main forming period of the Fourth member gas reservoir of the Dengying Formation.
Objective The Dengying Formation in the Penglai area of central Sichuan has achieved a major breakthrough in petroleum exploration. The Fourth member of the Dengying Formation has experienced multiple stages of oil and gas charging owing to its large burial depth, old age, and complex diagenetic evolution. However, the relationship between reservoir pore evolution and oil and gas charging remains unclear. Methods Based on drilling coring data, the petrological types, reservoir space characteristics, diagenetic types, diagenetic evolution sequence, pore evolution, and hydrocarbon charging of the Fourth member of the Dengying Formation were studied through thin section observation, cathodoluminescence, in situ microelement analysis, and fluid inclusion. Results The reservoir rock types of the Fourth member of the Dengying Formation in the Penglai area are mainly crystalline, granular, and microbial dolomite. The types of reservoir space can be divided into three types: cave, pore, and fracture. The main diagenetic types are syngene-parsyngenetic dissolution, epigenetic dissolution, buried dissolution, cementation and filling, tectonic rupture, silicification, and compaction. Diagenesis in different stages jointly controls the evolution of reservoir pores in the four members of the Dengying Formation, among which the constructive diagenesis is dissolution and rupture in different periods, and the destructive diagenesis is compaction and pressure-dissolution and cementation and filling. Conclusions The filling sequence of cement in the solution holes of the Fourth member of the reservoir can be divided into: the first generation blade-like dolomite → the second generation powdery dolomite → the first stage bitumen → the third generation fine crystalline dolomite → the fourth generation medium crystalline dolomite → the fifth generation coarse crystalline dolomite → the sixth generation giant crystalline saddle-shaped dolomite → the second stage bitumen → the seventh generation quartz, fluorite and other minerals. Based on the information, such as type, phase state, and homogenization temperature, of fluid inclusions captured by cemented fill of each stage the oil-gas charging process of the Fourth member of the Dengying Formation in the Penglai area was reconstructed, as follows: Paleo-oil reservoir charging in the Middle and Late Silurian period (the first phase of fossil oil reservoir) → Late Caledonian paleo-oil reservoir destruction → Middle Triassic paleo-oil reservoir charging (the second phase of fossil oil reservoir) → Late Jurassic paleo-gas cracking in paleo-oil reservoir → the adjustment and formation of paleo-gas reservoir from the Late Cretaceous to present, in which the late oil cracking gas → gaseous hydrocarbon charging is the main forming period of the Fourth member gas reservoir of the Dengying Formation.
2026, 44(1): 201-220.
doi: 10.14027/j.issn.1000-0550.2024.024
Abstract:
Objective Carbonate-evaporite syngenetic systems are widely distributed in the Cambrian rocks of the Sichuan Basin. However, their development, depositional environments and processes and evolutionary modes have rarely been studied, and the research methods urgently need to be clarified. Methods The petrology and processes of the symbiotic system, the state of the evaporites, the depositional environment and the evolutionary pattern were investigated using drill core data, field sections, rock strata, C and O isotopes, Fe and Mn contents, and S isotopic composition. Neither the developmental characteristics of the symbiotic system and depositional environment nor its evolutionary pattern are well understood. Results (1) Five kinds of carbonate-evaporite symbiotic rock assemblages were found in the study area: interbedded carbonate rock and evaporite; evaporite sandwiched with carbonate rock; evaporite overlain by carbonate rock; carbonate rock overlain by evaporite rock; and carbonate rock sandwiched with evaporite rock. (2) The δ¹⁸O values ranged predominantly from -9.00‰ to -8.00‰, while δ¹³C values ranged between -1.00‰ and 3.00‰. Calculations of paleosalinity and paleotemperature using these isotope values gave the vast majority of Z>120 and δ13C>-2.00‰, with paleoseawater temperatures in the range 23.10 ℃-40.64 ℃. Fe was mainly concentrated in the range (0-2 000)×10-5, and Mn from 10-5 to 30×10-5. These indicate a warm or hot paleoclimate and saline seawater environment during deposition of the Gaotai Formation, with a high degree of oxidation in the water body, and the rock-forming activity occurring in a system relatively open to precipitation of atmospheric water. (3) Deposition of marine carbonate rocks and evaporites took place in a symbiotic system against a background of an arid, hot climate and a calcium-rich, low-sulfate, highly saline calcitic sea. This period of time witnessed two types of carbonatite-evaporite symbiotic development: A falling-sea-level evaporite-dolomite deposition stage (“tidal sabkha mode”), and a rising-sea-level dolomite-evaporite-greywacke deposition stage (“underwater condensed-deposition mode”). Conclusions The carbonatite-evaporite symbiotic system has recorded information about the paleoenvironment, paleoclimate and paleohaline water chemistry during the deposition period, as well as the depositional process and evolutionary pattern of the symbiotic system. This study provides new ideas and understandings of the depositional environments and patterns of the carbonatite-evaporite symbiotic system in the evaporitic environment of the marine phase of the developing Cambrian Gaotai Formation.
Objective Carbonate-evaporite syngenetic systems are widely distributed in the Cambrian rocks of the Sichuan Basin. However, their development, depositional environments and processes and evolutionary modes have rarely been studied, and the research methods urgently need to be clarified. Methods The petrology and processes of the symbiotic system, the state of the evaporites, the depositional environment and the evolutionary pattern were investigated using drill core data, field sections, rock strata, C and O isotopes, Fe and Mn contents, and S isotopic composition. Neither the developmental characteristics of the symbiotic system and depositional environment nor its evolutionary pattern are well understood. Results (1) Five kinds of carbonate-evaporite symbiotic rock assemblages were found in the study area: interbedded carbonate rock and evaporite; evaporite sandwiched with carbonate rock; evaporite overlain by carbonate rock; carbonate rock overlain by evaporite rock; and carbonate rock sandwiched with evaporite rock. (2) The δ¹⁸O values ranged predominantly from -9.00‰ to -8.00‰, while δ¹³C values ranged between -1.00‰ and 3.00‰. Calculations of paleosalinity and paleotemperature using these isotope values gave the vast majority of Z>120 and δ13C>-2.00‰, with paleoseawater temperatures in the range 23.10 ℃-40.64 ℃. Fe was mainly concentrated in the range (0-2 000)×10-5, and Mn from 10-5 to 30×10-5. These indicate a warm or hot paleoclimate and saline seawater environment during deposition of the Gaotai Formation, with a high degree of oxidation in the water body, and the rock-forming activity occurring in a system relatively open to precipitation of atmospheric water. (3) Deposition of marine carbonate rocks and evaporites took place in a symbiotic system against a background of an arid, hot climate and a calcium-rich, low-sulfate, highly saline calcitic sea. This period of time witnessed two types of carbonatite-evaporite symbiotic development: A falling-sea-level evaporite-dolomite deposition stage (“tidal sabkha mode”), and a rising-sea-level dolomite-evaporite-greywacke deposition stage (“underwater condensed-deposition mode”). Conclusions The carbonatite-evaporite symbiotic system has recorded information about the paleoenvironment, paleoclimate and paleohaline water chemistry during the deposition period, as well as the depositional process and evolutionary pattern of the symbiotic system. This study provides new ideas and understandings of the depositional environments and patterns of the carbonatite-evaporite symbiotic system in the evaporitic environment of the marine phase of the developing Cambrian Gaotai Formation.
2026, 44(1): 221-234.
doi: 10.14027/j.issn.1000-0550.2024.020
Abstract:
Objective By analyzing the influence of the periodic change of earth orbit on the periodic change of climate, this study examined the climate change characteristics of the Xiayoushashan Formation in Qaidam Basin and established its high-resolution astronomical scale based on Milankovitch theory to identify and divide high-frequency sequences. Methods First, the Laskar algorithm was used to calculate the variation period of the orbital parameters of Earth during the summer solstice at 35°N from 14.5-23.8 Ma, and the Miocene cycle theory and ratio in this sedimentary period were determined. Then, taking wells Xianzhong 39, Xianzhong 8-9 and Xianzhong 8-12 in the Nanbaxian oil and gas field as examples, the natural gamma data were analyzed by their frequency spectrum and continuous wavelet transform. Finally, based on the orbital period, the average sedimentation rate of the Xiayoushashan Formation was calculated, and the "floating" astronomical scale of well Xianzhong 39 was established. Results Through the analysis of frequency spectrum and continuous wavelet transform, the Neogene Xiayoushashan Formation was shown to be mainly controlled by eccentricity periods of 400 and 95 ka. The average sedimentation rate of the Xiayoushashan Formation was 0.094 41 m/ka, and the sedimentation duration was 7.2 Ma. Based on the 400 ka long and 95 ka short eccentric period curves as benchmark curves, 18 fourth-order quasi-sequence groups and 72 fifth-order quasi-sequence groups were identified. Conclusions The results show that the climate change recorded in the Xiayoushashan Formation is controlled and driven by cycles. Identification and division based on Milankovitch theory can reduce the influence of subjective factors, improve the accuracy of division results, and more accurately describe the climate change characteristics in sediments. These research results are helpful for deeply understanding the evolution law of the Warth's climate and providing important reference for oil and gas exploration and resource evaluation.
Objective By analyzing the influence of the periodic change of earth orbit on the periodic change of climate, this study examined the climate change characteristics of the Xiayoushashan Formation in Qaidam Basin and established its high-resolution astronomical scale based on Milankovitch theory to identify and divide high-frequency sequences. Methods First, the Laskar algorithm was used to calculate the variation period of the orbital parameters of Earth during the summer solstice at 35°N from 14.5-23.8 Ma, and the Miocene cycle theory and ratio in this sedimentary period were determined. Then, taking wells Xianzhong 39, Xianzhong 8-9 and Xianzhong 8-12 in the Nanbaxian oil and gas field as examples, the natural gamma data were analyzed by their frequency spectrum and continuous wavelet transform. Finally, based on the orbital period, the average sedimentation rate of the Xiayoushashan Formation was calculated, and the "floating" astronomical scale of well Xianzhong 39 was established. Results Through the analysis of frequency spectrum and continuous wavelet transform, the Neogene Xiayoushashan Formation was shown to be mainly controlled by eccentricity periods of 400 and 95 ka. The average sedimentation rate of the Xiayoushashan Formation was 0.094 41 m/ka, and the sedimentation duration was 7.2 Ma. Based on the 400 ka long and 95 ka short eccentric period curves as benchmark curves, 18 fourth-order quasi-sequence groups and 72 fifth-order quasi-sequence groups were identified. Conclusions The results show that the climate change recorded in the Xiayoushashan Formation is controlled and driven by cycles. Identification and division based on Milankovitch theory can reduce the influence of subjective factors, improve the accuracy of division results, and more accurately describe the climate change characteristics in sediments. These research results are helpful for deeply understanding the evolution law of the Warth's climate and providing important reference for oil and gas exploration and resource evaluation.
2026, 44(1): 235-254.
doi: 10.14027/j.issn.1000-0550.2024.021
Abstract:
Objective In the western Sichuan Basin, the Middle Permian extensively features marine carbonate rocks, with dolomite being a focal point of geological investigation. However, the diverse and irregular distribution of dolomite types in the Middle Permian results in significant variations in dolomite characteristics across different regions. The rich variety of these dolomite types constitutes an excellent set of natural gas reservoirs in the Sichuan Basin. Methods To unravel the fluid dynamics of dolomites in the study area and reconstruct their diagenetic environments, this study extensively reviewed a substantial body of previous literature and references. Samples from 16 well cores and nine sections underwent a comprehensive analysis. Utilizing techniques such as microscopic thin section observation, cathodoluminescence, carbon-oxygen isotopes, strontium isotopes, and inductively coupled plasma mass spectrometry (ICP-MS) rare earth element (REE) analysis, the petrological and geochemical features were thoroughly investigated. Results The research findings can be summarized as follows: (1) Dolomite types: Dolomites in the region can be broadly categorized into homogeneous and zebra-like dolomite. The primary type of homogeneous dolomite is granular, whereas zebra-like dolomite includes homogeneous dolomite with dark bands, predominantly filled with hydrothermal saddle dolomite. (2) Isotopic analysis: Carbon isotopes: Samples from the study area exhibit positive anomalies in carbon isotopes. Oxygen isotopes: Oxygen isotope values show significant differences, with the filling material (saddle dolomite) exhibiting notably lower values than the homogeneous dolomite. Oxygen isotope values in samples from southwestern Sichuan are significantly lower than those from northwestern Sichuan. (3) Rare earth elements: REE analysis reveals a negative anomaly in δCe and a positive anomaly in δEu, indicating that the oxidation conditions of the products were influenced by later-stage hydrothermal alteration. (4) Strontium isotopes: Strontium isotopic values of homogeneous dolomite fall within the range of contemporaneous seawater. However, the filling material in southwestern Sichuan exhibits strontium isotopic values higher than the seawater range and significantly higher than that of homogeneous dolomite. Conclusions (1) Hydrothermal modification: The diagenetic fluids responsible for the formation of homogeneous dolomite in the western to northern Sichuan region are primarily derived from contemporaneous seawater. Subsequent hydrothermal activities lead to modifications, resulting in the formation of hydrothermal saddle dolomite. Notably, the intensity of hydrothermal activity is more pronounced in the southwestern region and relatively weaker in the northwestern part of western Sichuan. (2) Diagenetic environments: The diagenetic environments of dolomites in the study area encompass three types: marine diagenetic settings, shallow-to-intermediate burial diagenetic environments, and intermediate-to-deep burial diagenetic environments. The marine environment refers to an open-sea, grain shoal environment, predominantly developing fine to medium-crystalline dolomite. Inclusions exhibit a uniform temperature below 85 °C. Shallow-to-intermediate burial environments, with burial depths ranging from approximately 800-2 000 m, primarily foster homogeneous fine-crystalline and medium-to-coarse-crystalline dolomites. Inclusions exhibit a uniform temperature above 112 °C. Hydrothermal saddle dolomite mainly develops in intermediate-to-deep burial environments with burial depths exceeding 3 000 m, and inclusions exhibit a uniform temperature above 175 °C. This comprehensive research provides nuanced insights into the diverse dolomite types and their diagenetic histories, contributing significantly to the broader understanding of sedimentary processes and geological evolution in the western Sichuan Basin during the Middle Permian.
Objective In the western Sichuan Basin, the Middle Permian extensively features marine carbonate rocks, with dolomite being a focal point of geological investigation. However, the diverse and irregular distribution of dolomite types in the Middle Permian results in significant variations in dolomite characteristics across different regions. The rich variety of these dolomite types constitutes an excellent set of natural gas reservoirs in the Sichuan Basin. Methods To unravel the fluid dynamics of dolomites in the study area and reconstruct their diagenetic environments, this study extensively reviewed a substantial body of previous literature and references. Samples from 16 well cores and nine sections underwent a comprehensive analysis. Utilizing techniques such as microscopic thin section observation, cathodoluminescence, carbon-oxygen isotopes, strontium isotopes, and inductively coupled plasma mass spectrometry (ICP-MS) rare earth element (REE) analysis, the petrological and geochemical features were thoroughly investigated. Results The research findings can be summarized as follows: (1) Dolomite types: Dolomites in the region can be broadly categorized into homogeneous and zebra-like dolomite. The primary type of homogeneous dolomite is granular, whereas zebra-like dolomite includes homogeneous dolomite with dark bands, predominantly filled with hydrothermal saddle dolomite. (2) Isotopic analysis: Carbon isotopes: Samples from the study area exhibit positive anomalies in carbon isotopes. Oxygen isotopes: Oxygen isotope values show significant differences, with the filling material (saddle dolomite) exhibiting notably lower values than the homogeneous dolomite. Oxygen isotope values in samples from southwestern Sichuan are significantly lower than those from northwestern Sichuan. (3) Rare earth elements: REE analysis reveals a negative anomaly in δCe and a positive anomaly in δEu, indicating that the oxidation conditions of the products were influenced by later-stage hydrothermal alteration. (4) Strontium isotopes: Strontium isotopic values of homogeneous dolomite fall within the range of contemporaneous seawater. However, the filling material in southwestern Sichuan exhibits strontium isotopic values higher than the seawater range and significantly higher than that of homogeneous dolomite. Conclusions (1) Hydrothermal modification: The diagenetic fluids responsible for the formation of homogeneous dolomite in the western to northern Sichuan region are primarily derived from contemporaneous seawater. Subsequent hydrothermal activities lead to modifications, resulting in the formation of hydrothermal saddle dolomite. Notably, the intensity of hydrothermal activity is more pronounced in the southwestern region and relatively weaker in the northwestern part of western Sichuan. (2) Diagenetic environments: The diagenetic environments of dolomites in the study area encompass three types: marine diagenetic settings, shallow-to-intermediate burial diagenetic environments, and intermediate-to-deep burial diagenetic environments. The marine environment refers to an open-sea, grain shoal environment, predominantly developing fine to medium-crystalline dolomite. Inclusions exhibit a uniform temperature below 85 °C. Shallow-to-intermediate burial environments, with burial depths ranging from approximately 800-2 000 m, primarily foster homogeneous fine-crystalline and medium-to-coarse-crystalline dolomites. Inclusions exhibit a uniform temperature above 112 °C. Hydrothermal saddle dolomite mainly develops in intermediate-to-deep burial environments with burial depths exceeding 3 000 m, and inclusions exhibit a uniform temperature above 175 °C. This comprehensive research provides nuanced insights into the diverse dolomite types and their diagenetic histories, contributing significantly to the broader understanding of sedimentary processes and geological evolution in the western Sichuan Basin during the Middle Permian.
2026, 44(1): 255-266.
doi: 10.14027/j.issn.1000-0550.2024.002
Abstract:
Objective The East Mariana Basin of the West Pacific Ocean, which is located east of the Mariana Trench, south of the Magellan Seamounts, and north of the Caroline Seamounts, is an ideal area for the study of Asian aeolian dust deposits, but the sediment research of the East Mariana Basin is still weak. To reveal the sediment geochemical characteristics and provide background data for further sediment provenance, seabed mineral resource evaluation and climate-environment evolution research, the element geochemistry of surface sediments in the East Mariana Basin was studied. Methods Based on 28 pelagic clay surface sediment (0-10 cm) samples collected in the eastern section of the East Mariana Basin using the box and gravity samplers, contents of major, trace, and rare earth elements of the sediments were analyzed using inductively coupled plasma optical emission and mass spectroscopy methods. Then, elements geochemical characteristics were analyzed, and their influencing factors and indicative significance were discussed. Results The results show that the contents of major elements in the pelagic clay sediments in the study area are roughly the same as those in the neighboring sea areas of the West Pacific Ocean. The distribution pattern of major elements (oxides) in sediments follows SiO2> Al2O3 > Fe2O3> Na2O > MgO > K2O > CaO > MnO > TiO2 > P2O5. SiO2 has the highest content of all major elements, with an average of 49.14%, followed by Al2O3, with an average of 15.85%. The trace element with the highest content was Ba, with an average of 770×10-6, followed by Cu, with an average of 289×10-6. The average of total rare earth elements (∑REE) is 284×10-6, which is light rare earth-rich type, with the highest Ce, Nd, and La contents. Principal component analysis of elements shows that the composition of chemical elements can be divided into four categories: The first type is closely related to rare earth elements, including most rare earth elements (except Ce), P2O5, and TiO2, the second type is related to Fe-Mn micronodules, including Fe2O3, MnO, Cr, Co, Ni, Cu, and Ba, the third type is related to terrigenous debris, including Al2O3, MgO, SiO2, U, Hf, Th, and Ce, and the fourth type is related to biological sources, including Cd, CaO, and Mo. Conclusions The element combination indices (Si/Al, Fe/Al, La/Tb, Th/Sc, etc.) and projection diagrams (La-Th-Sc triangle diagram and La/Th-Hf bivariate diagram) further revealed that the sediments sources were dominated by terrigenous materials, particular terrestrial aeolian dust materials. Furthermore, the Chemical Index of Alteration (CIA) indicates that the parent rocks in the sediment source area are in low-medium chemical weathering conditions. The redox sensitive elemental (Cr, Ni, V, U, Th, etc.) combination reveals that the bottom sedimentary environment in the study area was oxidation-weak oxidation environment. This study has reference significance for understanding the influence of the Asian aeolian dust on the sediment provenance of the East Mariana Basin, revealing the sedimentary environment characteristics of the basin and the distribution of seabed mineral resources.
Objective The East Mariana Basin of the West Pacific Ocean, which is located east of the Mariana Trench, south of the Magellan Seamounts, and north of the Caroline Seamounts, is an ideal area for the study of Asian aeolian dust deposits, but the sediment research of the East Mariana Basin is still weak. To reveal the sediment geochemical characteristics and provide background data for further sediment provenance, seabed mineral resource evaluation and climate-environment evolution research, the element geochemistry of surface sediments in the East Mariana Basin was studied. Methods Based on 28 pelagic clay surface sediment (0-10 cm) samples collected in the eastern section of the East Mariana Basin using the box and gravity samplers, contents of major, trace, and rare earth elements of the sediments were analyzed using inductively coupled plasma optical emission and mass spectroscopy methods. Then, elements geochemical characteristics were analyzed, and their influencing factors and indicative significance were discussed. Results The results show that the contents of major elements in the pelagic clay sediments in the study area are roughly the same as those in the neighboring sea areas of the West Pacific Ocean. The distribution pattern of major elements (oxides) in sediments follows SiO2> Al2O3 > Fe2O3> Na2O > MgO > K2O > CaO > MnO > TiO2 > P2O5. SiO2 has the highest content of all major elements, with an average of 49.14%, followed by Al2O3, with an average of 15.85%. The trace element with the highest content was Ba, with an average of 770×10-6, followed by Cu, with an average of 289×10-6. The average of total rare earth elements (∑REE) is 284×10-6, which is light rare earth-rich type, with the highest Ce, Nd, and La contents. Principal component analysis of elements shows that the composition of chemical elements can be divided into four categories: The first type is closely related to rare earth elements, including most rare earth elements (except Ce), P2O5, and TiO2, the second type is related to Fe-Mn micronodules, including Fe2O3, MnO, Cr, Co, Ni, Cu, and Ba, the third type is related to terrigenous debris, including Al2O3, MgO, SiO2, U, Hf, Th, and Ce, and the fourth type is related to biological sources, including Cd, CaO, and Mo. Conclusions The element combination indices (Si/Al, Fe/Al, La/Tb, Th/Sc, etc.) and projection diagrams (La-Th-Sc triangle diagram and La/Th-Hf bivariate diagram) further revealed that the sediments sources were dominated by terrigenous materials, particular terrestrial aeolian dust materials. Furthermore, the Chemical Index of Alteration (CIA) indicates that the parent rocks in the sediment source area are in low-medium chemical weathering conditions. The redox sensitive elemental (Cr, Ni, V, U, Th, etc.) combination reveals that the bottom sedimentary environment in the study area was oxidation-weak oxidation environment. This study has reference significance for understanding the influence of the Asian aeolian dust on the sediment provenance of the East Mariana Basin, revealing the sedimentary environment characteristics of the basin and the distribution of seabed mineral resources.
2026, 44(1): 267-278.
doi: 10.14027/j.issn.1000-0550.2024.009
Abstract:
Objective The QT Basin is located in the eastern segment of the Tethyan tectonic domain, the world’s most important oil-gas accumulation zone. Due to the low degree of exploration in the basin, there has been great controversy over its hydrocarbon resource potential. Restoring the basin erosion amount and burial process during key tectonic periods is crucial for deepening the understanding of the hydrocarbon generation potential of major source rocks and the overall oil-gas resource potential in the QT Basin. Methods Using the tectono-sedimentary filling extrapolation method, we analyzed the major tectonic activity episodes of the QT Basin and restored the erosion amount during key tectonic periods. Meanwhile, the burial processes of three sets of source rocks from the Upper Triassic to Jurassic were analyzed by the TSM basin simulation and resource evaluation system. Results (1) Since the Late Triassic, the QT Basin has experienced four phases of erosion events: Late Triassic-Early Jurassic (210-180 Ma), Early Cretaceous (120-110 Ma), Paleocene-Early Eocene (60-45 Ma), and since the Early Miocene (25 Ma - present). (2) During 210-180 Ma, the main part of the basin was uplifted, with intense erosion in the central uplift belt and the northern QT Depression; during 120-110 Ma, the strongest erosion occurred in the central uplift belt, its both sides and the eastern part of the basin, while the erosion in the mid-western part of the northern QT Depression was relatively weak; during 60-45 Ma, the average uplift and erosion of the basin was about 0.75 km; since ~25 Ma, the basin has shown an overall uplift characteristic. (3) Affected by sedimentary thickness, differential erosion during multi-stage tectonic uplift and other factors, the two maximum burial depths of the Upper Triassic-Jurassic source rocks in the QT Basin occurred after the deposition of the Xueshan Formation, and after the deposition of the Paleogene Kangtuo Formation and Neogene Suonahu Formation, respectively. The two major hydrocarbon generation periods correspond to the maximum burial depths and the subsequent tectonic uplift. (4) There are significant differences in the hydrocarbon generation evolution of the two sets of source rocks: the source rocks of the Xiaochaka Formation (T₃x) generated hydrocarbons relatively early with a long hydrocarbon generation and evolution cycle; the source rocks of the Buqu Formation (J₂b) and Xiali Formation (J₂x) generated hydrocarbons relatively late. In particular, the J₂x source rocks once experienced a hydrocarbon generation stagnation during the geological history, entered the secondary hydrocarbon generation evolution stage after the Paleogene deposition, and still have continuous hydrocarbon generation potential at present. Conclusions The Upper Triassic-Jurassic source rocks in the QT Basin have experienced different uplift and erosion histories, and there are obvious differences in their hydrocarbon generation and evolution processes. Horizontally, the mid-western part of the northern QT Depression, where the strata are best preserved, has great resource potential and should be the favorable exploration area for the next step.
Objective The QT Basin is located in the eastern segment of the Tethyan tectonic domain, the world’s most important oil-gas accumulation zone. Due to the low degree of exploration in the basin, there has been great controversy over its hydrocarbon resource potential. Restoring the basin erosion amount and burial process during key tectonic periods is crucial for deepening the understanding of the hydrocarbon generation potential of major source rocks and the overall oil-gas resource potential in the QT Basin. Methods Using the tectono-sedimentary filling extrapolation method, we analyzed the major tectonic activity episodes of the QT Basin and restored the erosion amount during key tectonic periods. Meanwhile, the burial processes of three sets of source rocks from the Upper Triassic to Jurassic were analyzed by the TSM basin simulation and resource evaluation system. Results (1) Since the Late Triassic, the QT Basin has experienced four phases of erosion events: Late Triassic-Early Jurassic (210-180 Ma), Early Cretaceous (120-110 Ma), Paleocene-Early Eocene (60-45 Ma), and since the Early Miocene (25 Ma - present). (2) During 210-180 Ma, the main part of the basin was uplifted, with intense erosion in the central uplift belt and the northern QT Depression; during 120-110 Ma, the strongest erosion occurred in the central uplift belt, its both sides and the eastern part of the basin, while the erosion in the mid-western part of the northern QT Depression was relatively weak; during 60-45 Ma, the average uplift and erosion of the basin was about 0.75 km; since ~25 Ma, the basin has shown an overall uplift characteristic. (3) Affected by sedimentary thickness, differential erosion during multi-stage tectonic uplift and other factors, the two maximum burial depths of the Upper Triassic-Jurassic source rocks in the QT Basin occurred after the deposition of the Xueshan Formation, and after the deposition of the Paleogene Kangtuo Formation and Neogene Suonahu Formation, respectively. The two major hydrocarbon generation periods correspond to the maximum burial depths and the subsequent tectonic uplift. (4) There are significant differences in the hydrocarbon generation evolution of the two sets of source rocks: the source rocks of the Xiaochaka Formation (T₃x) generated hydrocarbons relatively early with a long hydrocarbon generation and evolution cycle; the source rocks of the Buqu Formation (J₂b) and Xiali Formation (J₂x) generated hydrocarbons relatively late. In particular, the J₂x source rocks once experienced a hydrocarbon generation stagnation during the geological history, entered the secondary hydrocarbon generation evolution stage after the Paleogene deposition, and still have continuous hydrocarbon generation potential at present. Conclusions The Upper Triassic-Jurassic source rocks in the QT Basin have experienced different uplift and erosion histories, and there are obvious differences in their hydrocarbon generation and evolution processes. Horizontally, the mid-western part of the northern QT Depression, where the strata are best preserved, has great resource potential and should be the favorable exploration area for the next step.
2026, 44(1): 279-291.
doi: 10.14027/j.issn.1000-0550.2024.022
Abstract:
Objective The C-6 oilfield is one of the main oilfields in the billion ton Caofeidian oilfield group of the Bohai Sea. Its main development layer is the Guantao Formation III oil formation (N1gIII), which is a set of sand rich braided river sediments. The connectivity of the internal reservoir is not yet clear, restricting the improvement of oilfield development efficiency. Methods The intelligent fusion technology of seismic attributes based on a deep feedforward neural network (DFNN) was used to finely characterize the spatial distribution of the fourth level configuration units in the braided river reservoir of the oilfield under the calibration of limited logging information. Results Based on log interpretation, N1gIII of the C-6 oilfield mainly contains two types of level-4 architectural units: channel bar and braided channel; braided bar is the best reservoir with high sandstone thickness and excellent physical properties. Based on seismic attribute extraction and correlation analysis with lithological and physical parameters, reflection intensity, relative impedance, sweet point, original amplitude, and envelop were chosen as intelligent fusion seismic attributes with the DFNN algorithm with porosity. The three-dimensional (3D) attribute of DFNN fusion, representative of lithology and petrophysical property, largely improves the detecting ability of the braided river sandstone unit and its boundary. A NE-SW braided flow zone was developed in N1gIII of the C-6 oilfield and could be internally sub-divided into 15 rhombic level-4 architectural units. Distributary channels, another level-4 architectural unit, surrounded the braided bar in a narrow strip. The level-4 architectural interface between the two units acted as seepage barriers for fluid migration. The braided bars cut and overlapped one another vertically, forming a “big bar and small channel” plan reservoir architectural pattern. Conclusions The fine characterization of reservoir architecture based on the intelligent fusion of seismic attributes deepens our understanding of the connectivity of braided river reservoirs controlled by sparse well networks, providing direct geological basis for the adjustment of the C-6 oilfield development plans, and has certain significance for the fine characterization of reservoir architecture in oil fields with the same sedimentary type under offshore sparse well network conditions..
Objective The C-6 oilfield is one of the main oilfields in the billion ton Caofeidian oilfield group of the Bohai Sea. Its main development layer is the Guantao Formation III oil formation (N1gIII), which is a set of sand rich braided river sediments. The connectivity of the internal reservoir is not yet clear, restricting the improvement of oilfield development efficiency. Methods The intelligent fusion technology of seismic attributes based on a deep feedforward neural network (DFNN) was used to finely characterize the spatial distribution of the fourth level configuration units in the braided river reservoir of the oilfield under the calibration of limited logging information. Results Based on log interpretation, N1gIII of the C-6 oilfield mainly contains two types of level-4 architectural units: channel bar and braided channel; braided bar is the best reservoir with high sandstone thickness and excellent physical properties. Based on seismic attribute extraction and correlation analysis with lithological and physical parameters, reflection intensity, relative impedance, sweet point, original amplitude, and envelop were chosen as intelligent fusion seismic attributes with the DFNN algorithm with porosity. The three-dimensional (3D) attribute of DFNN fusion, representative of lithology and petrophysical property, largely improves the detecting ability of the braided river sandstone unit and its boundary. A NE-SW braided flow zone was developed in N1gIII of the C-6 oilfield and could be internally sub-divided into 15 rhombic level-4 architectural units. Distributary channels, another level-4 architectural unit, surrounded the braided bar in a narrow strip. The level-4 architectural interface between the two units acted as seepage barriers for fluid migration. The braided bars cut and overlapped one another vertically, forming a “big bar and small channel” plan reservoir architectural pattern. Conclusions The fine characterization of reservoir architecture based on the intelligent fusion of seismic attributes deepens our understanding of the connectivity of braided river reservoirs controlled by sparse well networks, providing direct geological basis for the adjustment of the C-6 oilfield development plans, and has certain significance for the fine characterization of reservoir architecture in oil fields with the same sedimentary type under offshore sparse well network conditions..
2026, 44(1): 292-307.
doi: 10.14027/j.issn.1000-0550.2024.026
Abstract:
Objective The sand and gravel in the Sanjie area of Juren town, Bin county, Heilongjiang province, was once considered as the lower limit of the Quaternary Luojiawopeng Formation in the Harbin area, but research on its stratigraphic properties and sedimentary environment has been relatively poor to date. This has greatly limited the in-depth understanding of the regional surface processes recorded in this stratum. Methods To discuss and compare the sedimentary environment and stratigraphic division, this study adopted a range of research methods. Sedimentology, mineralogy, elemental geochemistry and detrital zircon U-Pb chronology were used to investigate the chemical weathering characteristics, source rock properties, sedimentary environment and structural background of the source area in this section to determine the effects of chemical weathering, sedimentary cycles and material sources, and to explore the structural background and indicators of stratigraphic delineation and regional magmatic tectonic events. Results It was found that the sediment in the three sections is mainly composed of brownish-yellow sand and gravel mixed with muddy interlayers, with local oblique bedding. The weathering degree of the sand and gravel is low, the sorting is moderate, the roundness is good, and there is no obvious directional arrangement. The gravel rock is mainly granite (46.31%) and quartzite (28.19%), with some syenite (0.2%), tuff (0.01%) and schist (0.01%). The heavy minerals are mainly spinel (65.18%) and epidote (11.87%), with minor quantities of zircon (2.28%), apatite (5.60%), ilmenite (2.77%), hematite (3.41%) and magnetite (5.15%); white titanium (0.54%) and pyrrhotite (0.1%) account for less than 1%, and other heavy minerals account for 3.11%. Elemental geochemical analysis revealed that the fine-grained components in the sediments have experienced weak to moderate chemical weathering, and most have undergone initial weathering cycles. Gravel lithology and geochemical composition indicate that the parent rock of the sediments was mainly medium- to acidic magma. The geochemistry of the migration and enrichment of elements in the sediments, paleoclimate discrimination diagrams and sedimentary facies definition indicate that the regional environment of the sediments was a meandering river that transported the sediments over short distances in an arid oxidative environment. The distribution range of detrital zircon U-Pb ages is relatively narrow (134.2-220.3 Ma, peaking at about 168 Ma). Comparison of the zircon ages of the surrounding potential source areas together with their geomorphological location suggests the detrital contribution of the Zhangguangcai Ridge and indicates the collision and assembly of the Jiamusi and Songnen Blocks, as well as the continuous subduction of the eastern oceanic plate. Significant differences were found between the three sections in terms of their sedimentological characteristics, genetic types and geomorphological features when compared with the standard strata of the Luojiawopeng Formation. It is speculated that formation of the three sections was roughly contemporaneous with the formation time of the Baitushan Formation in western Harbin. Conclusions This study is of great significance for the reconstruction of geological events such as Quaternary stratigraphic divisions and Upper Jurassic tectonic geomorphological-climate-water system evolution in the Harbin area.
Objective The sand and gravel in the Sanjie area of Juren town, Bin county, Heilongjiang province, was once considered as the lower limit of the Quaternary Luojiawopeng Formation in the Harbin area, but research on its stratigraphic properties and sedimentary environment has been relatively poor to date. This has greatly limited the in-depth understanding of the regional surface processes recorded in this stratum. Methods To discuss and compare the sedimentary environment and stratigraphic division, this study adopted a range of research methods. Sedimentology, mineralogy, elemental geochemistry and detrital zircon U-Pb chronology were used to investigate the chemical weathering characteristics, source rock properties, sedimentary environment and structural background of the source area in this section to determine the effects of chemical weathering, sedimentary cycles and material sources, and to explore the structural background and indicators of stratigraphic delineation and regional magmatic tectonic events. Results It was found that the sediment in the three sections is mainly composed of brownish-yellow sand and gravel mixed with muddy interlayers, with local oblique bedding. The weathering degree of the sand and gravel is low, the sorting is moderate, the roundness is good, and there is no obvious directional arrangement. The gravel rock is mainly granite (46.31%) and quartzite (28.19%), with some syenite (0.2%), tuff (0.01%) and schist (0.01%). The heavy minerals are mainly spinel (65.18%) and epidote (11.87%), with minor quantities of zircon (2.28%), apatite (5.60%), ilmenite (2.77%), hematite (3.41%) and magnetite (5.15%); white titanium (0.54%) and pyrrhotite (0.1%) account for less than 1%, and other heavy minerals account for 3.11%. Elemental geochemical analysis revealed that the fine-grained components in the sediments have experienced weak to moderate chemical weathering, and most have undergone initial weathering cycles. Gravel lithology and geochemical composition indicate that the parent rock of the sediments was mainly medium- to acidic magma. The geochemistry of the migration and enrichment of elements in the sediments, paleoclimate discrimination diagrams and sedimentary facies definition indicate that the regional environment of the sediments was a meandering river that transported the sediments over short distances in an arid oxidative environment. The distribution range of detrital zircon U-Pb ages is relatively narrow (134.2-220.3 Ma, peaking at about 168 Ma). Comparison of the zircon ages of the surrounding potential source areas together with their geomorphological location suggests the detrital contribution of the Zhangguangcai Ridge and indicates the collision and assembly of the Jiamusi and Songnen Blocks, as well as the continuous subduction of the eastern oceanic plate. Significant differences were found between the three sections in terms of their sedimentological characteristics, genetic types and geomorphological features when compared with the standard strata of the Luojiawopeng Formation. It is speculated that formation of the three sections was roughly contemporaneous with the formation time of the Baitushan Formation in western Harbin. Conclusions This study is of great significance for the reconstruction of geological events such as Quaternary stratigraphic divisions and Upper Jurassic tectonic geomorphological-climate-water system evolution in the Harbin area.
2026, 44(1): 308-323.
doi: 10.14027/j.issn.1000-0550.2024.004
Abstract:
Objective The genetic mechanism and sedimentary filling process of the Dongying Formation sublacustrine fan are unclear in the slope zone of the southeastern part of Bozhong Depression, which restricts the fine study of sublacustrine fan and deployment of well location in the study area, Methods From the perspective of source-sink system and three-dimensional seismic data, we semi-quantitatively analyzed the denude capacity and transportation path of the Bonan low uplift provenance. In addition, we clarified the characteristic sedimentary response and source coupling mechanism of a large-scale sublacustrine fan. We established the sedimentary filling process of a sublacustrine fan and summarized the development mode of a sublacustrine fan. Results (1) the Dong 2 subsequence is in the stage of lake-basin fracture-sink transition, which can be divided into two third-order sequences, in which the sublacustrine fan is developed in the highstand systems tract period of the lower Dong 2 subsequence; (2) during the period of lower Dong 2, the flux of denudation of the eastern section of the Bonan low uplift is larger than that of a sublacustrine fan. The detrital material provided by near provenances in the western part of the Bonan low uplift is unloaded under the depositional break of the slope along seven ancient gullies and five restricted ancient gullies. The coupling of near source supply, transport channel, and sedimentary slope break formed a large contiguous lacustrine fan deposit; and (3) the sedimentary filling process of asublacustrine fan is controlled by the location of restricted paleogeomorphology and the amount of space. Among them the early restricted paleogeomorphic formation can create large accommodating space, the sublacustrine fan sand body is preferentially unloaded. It formed the three major fan deposits, A, B and C. Owing to the spatial restriction of the two sides, the strong hydrodynamic conditions and seismic phases exhibit a chaotic down-cut channel superimposed on the lateral migration, and the formed fans are more sand-rich. With the entry of gravity flow with continuous replenishment in the later stage, the accommodating space gradually decreases, while the gravity flow along the replenishment channel overflows to the center of the open lake basin, forming two fans, D and E. Owing to the energy gradually weakening, the seismic phases have the characteristics of laminar strong-amplitude reflections, with the characteristics of the watercourse being inconspicuous, and the sand-richness is moderate. Late-stage source supply and energy is weak, and localized erosion and modification of seismic relative to early fan bodies exhibits weak amplitude reflections dominated by muddy watercourses. The large lake bottom fan has a spatiotemporal distribution and evolution pattern of early restrictive filling, middle overflow adjustment and late erosion and modification, which constitutes a developmental feature of lateral contiguous and vertical multi-phase superposition. Conclusions The three sectors, A, B, and C, below the first terrace are sand-rich and shallowly buried, with good conditions for oil and gas transportation and aggregation and excellent reservoir-cover combinations. The sweet spot area of sector C sector is large and has been an important target for the exploration of rocky reservoirs in the Bohai Sea in recent years.
Objective The genetic mechanism and sedimentary filling process of the Dongying Formation sublacustrine fan are unclear in the slope zone of the southeastern part of Bozhong Depression, which restricts the fine study of sublacustrine fan and deployment of well location in the study area, Methods From the perspective of source-sink system and three-dimensional seismic data, we semi-quantitatively analyzed the denude capacity and transportation path of the Bonan low uplift provenance. In addition, we clarified the characteristic sedimentary response and source coupling mechanism of a large-scale sublacustrine fan. We established the sedimentary filling process of a sublacustrine fan and summarized the development mode of a sublacustrine fan. Results (1) the Dong 2 subsequence is in the stage of lake-basin fracture-sink transition, which can be divided into two third-order sequences, in which the sublacustrine fan is developed in the highstand systems tract period of the lower Dong 2 subsequence; (2) during the period of lower Dong 2, the flux of denudation of the eastern section of the Bonan low uplift is larger than that of a sublacustrine fan. The detrital material provided by near provenances in the western part of the Bonan low uplift is unloaded under the depositional break of the slope along seven ancient gullies and five restricted ancient gullies. The coupling of near source supply, transport channel, and sedimentary slope break formed a large contiguous lacustrine fan deposit; and (3) the sedimentary filling process of asublacustrine fan is controlled by the location of restricted paleogeomorphology and the amount of space. Among them the early restricted paleogeomorphic formation can create large accommodating space, the sublacustrine fan sand body is preferentially unloaded. It formed the three major fan deposits, A, B and C. Owing to the spatial restriction of the two sides, the strong hydrodynamic conditions and seismic phases exhibit a chaotic down-cut channel superimposed on the lateral migration, and the formed fans are more sand-rich. With the entry of gravity flow with continuous replenishment in the later stage, the accommodating space gradually decreases, while the gravity flow along the replenishment channel overflows to the center of the open lake basin, forming two fans, D and E. Owing to the energy gradually weakening, the seismic phases have the characteristics of laminar strong-amplitude reflections, with the characteristics of the watercourse being inconspicuous, and the sand-richness is moderate. Late-stage source supply and energy is weak, and localized erosion and modification of seismic relative to early fan bodies exhibits weak amplitude reflections dominated by muddy watercourses. The large lake bottom fan has a spatiotemporal distribution and evolution pattern of early restrictive filling, middle overflow adjustment and late erosion and modification, which constitutes a developmental feature of lateral contiguous and vertical multi-phase superposition. Conclusions The three sectors, A, B, and C, below the first terrace are sand-rich and shallowly buried, with good conditions for oil and gas transportation and aggregation and excellent reservoir-cover combinations. The sweet spot area of sector C sector is large and has been an important target for the exploration of rocky reservoirs in the Bohai Sea in recent years.
2026, 44(1): 324-338.
doi: 10.14027/j.issn.1000-0550.2024.016
Abstract:
Objective The levels of oxygen in shallow waters and the atmosphere during the Mesoproterozoic period (approximately 1.8-1.0 Ga) have raised controversy. Currently, it is widely believed that there may have been fluctuating high and low oxygen levels at that time. However, the spatiotemporal heterogeneity of the ancient planet during this period limits our understanding of the redox state of the ancient oceans, but accumulated evidence tends to indicate dynamic fluctuations in the oxygen content of shallow seas. Methods This study, which focused on the carbonate strata of the Longjiayuan Formation in the Guandaokou Group, western Henan province (oldest age 1.59 Ga), carried out petrological, elemental geochemical and C and O isotope geochemical analyses, mainly using Ce anomalies δ. Indicators such as δ13C and Y/Ho restored the redox state of the shallow sea in the region. Results Microscopically, the formation lithology consisted mainly of relatively pure fine-grained, powdery, and mud crystalline dolomite, with main structures containing different forms of laminated stones and siliceous bands. The main geochemical data indicated overall Th content <0.5 µg/g, Y/Ho > 26, ΣREE <12 µg/g, and Ce/Ce*, Pr(N)/Yb(N) and Y/Ho. There was no significant correlation between ΣREE and Th concentration, indicating that the sample material was not affected by terrestrial debris interference to any great extent. Mn/Sr was generally low (average<6),δ18O>-10‰, and there was no significant correlation between Ce/Ce*, Eu/Eu* and Dy(N)/Sm(N), indicating that the original seawater signal was relatively well preserved during diagenesis. The rare earth element distribution indicated significant negative Ce anomalies (0.53-0.94) and positive Y anomalies in the region around 1.54 Ga, similar to the value for modern seawater rare earth elements. This was accompanied by a significant increase in Y/Ho (mean 64), followed by δ13C, which experienced a significant positive deviation and later recovered to the original level of the Mesoproterozoic era. Conclusions These findings indicated that there may have been a brief oxidation event in the region during the Mesoproterozoic. The range (0.53-0.94) and time (~1.54 Ga) of negative Ce anomalies in the Longjiayuan Formation were reasonably consistent with values in the second and third segments of the Gaogaozhuang Formation, and in the lower part of the Yangzhuang Formation. These indicated that the atmosphere and shallow sea environment in the North China Craton underwent an overall oxygenation process of common amplitude during this period. The negative Ce anomaly and its rapid rebound indicated that the low oxygen state in the shallow sea and atmosphere of the Mesoproterozoic continued to dominate, interspersed with a pulse-type oxygenation process that may have been widespread throughout the North China Craton at that time. This study provided direct evidence of pulse oxygenation events during the Mesoproterozoic, which was useful in determining the redox state of shallow waters during this period, and to explore the impact of oxygen level on the evolution of eukaryotes.
Objective The levels of oxygen in shallow waters and the atmosphere during the Mesoproterozoic period (approximately 1.8-1.0 Ga) have raised controversy. Currently, it is widely believed that there may have been fluctuating high and low oxygen levels at that time. However, the spatiotemporal heterogeneity of the ancient planet during this period limits our understanding of the redox state of the ancient oceans, but accumulated evidence tends to indicate dynamic fluctuations in the oxygen content of shallow seas. Methods This study, which focused on the carbonate strata of the Longjiayuan Formation in the Guandaokou Group, western Henan province (oldest age 1.59 Ga), carried out petrological, elemental geochemical and C and O isotope geochemical analyses, mainly using Ce anomalies δ. Indicators such as δ13C and Y/Ho restored the redox state of the shallow sea in the region. Results Microscopically, the formation lithology consisted mainly of relatively pure fine-grained, powdery, and mud crystalline dolomite, with main structures containing different forms of laminated stones and siliceous bands. The main geochemical data indicated overall Th content <0.5 µg/g, Y/Ho > 26, ΣREE <12 µg/g, and Ce/Ce*, Pr(N)/Yb(N) and Y/Ho. There was no significant correlation between ΣREE and Th concentration, indicating that the sample material was not affected by terrestrial debris interference to any great extent. Mn/Sr was generally low (average<6),δ18O>-10‰, and there was no significant correlation between Ce/Ce*, Eu/Eu* and Dy(N)/Sm(N), indicating that the original seawater signal was relatively well preserved during diagenesis. The rare earth element distribution indicated significant negative Ce anomalies (0.53-0.94) and positive Y anomalies in the region around 1.54 Ga, similar to the value for modern seawater rare earth elements. This was accompanied by a significant increase in Y/Ho (mean 64), followed by δ13C, which experienced a significant positive deviation and later recovered to the original level of the Mesoproterozoic era. Conclusions These findings indicated that there may have been a brief oxidation event in the region during the Mesoproterozoic. The range (0.53-0.94) and time (~1.54 Ga) of negative Ce anomalies in the Longjiayuan Formation were reasonably consistent with values in the second and third segments of the Gaogaozhuang Formation, and in the lower part of the Yangzhuang Formation. These indicated that the atmosphere and shallow sea environment in the North China Craton underwent an overall oxygenation process of common amplitude during this period. The negative Ce anomaly and its rapid rebound indicated that the low oxygen state in the shallow sea and atmosphere of the Mesoproterozoic continued to dominate, interspersed with a pulse-type oxygenation process that may have been widespread throughout the North China Craton at that time. This study provided direct evidence of pulse oxygenation events during the Mesoproterozoic, which was useful in determining the redox state of shallow waters during this period, and to explore the impact of oxygen level on the evolution of eukaryotes.
2026, 44(1): 339-354.
doi: 10.14027/j.issn.1000-0550.2024.023
Abstract:
Objective To discuss the high-frequency sequence division and its control on reservoirs in carbonate strata. Methods This study used the Th/U curve in natural gamma ray spectrum logging as the indicator curve. combined with the Fischer diagram and lithological assemblage sequence, high frequency sequence of Ma5 1 ⁃ 5 sub-member of Majiagou Formation was divided quantitatively in the Tao 7 block of the Ordos Basin. Results The research shows that the Th/U value in natural gamma-ray spectroscopy logging can be used as an indirect alternative index of astronomical orbit in carbonate strata. The high-frequency sequence can be effectively divided by quantitative and qualitative analysis methods such as spectrum analysis combined with the Fischer diagram and lithologic lithofacies analysis. The Ma5 1 ⁃ 5 sub-member in the Tao 7 block can be divided into one third-order sequence, six fourth-order sequences, and twenty fifth-order sequences. It is estimated that the average deposition rate of the Ma5 1 ⁃ 5 sub-member is 5.03 cm/kyr, and the deposition time is approximately 2.43 Ma. The gypsum pseudocrystal dolomite, which developed in the upper part of the intertidal zone and in the top of the high-frequency sedimentary cycle with upward shallowing, is the dominant facies belt for reservoir development. Near the high-frequency sequence boundary of the fourth-order sequence is the favorable interval for reservoir development. The early karst caused by frequent changes of sea level was the main driving force for the formation of model pores in the Ma5 1 ⁃ 4 sub-member and laid the foundation for the krast in later supergene stage. Conclusions Quantitative identification and division of high-frequency sequence is important for reservoir prediction in carbonate strata.
Objective To discuss the high-frequency sequence division and its control on reservoirs in carbonate strata. Methods This study used the Th/U curve in natural gamma ray spectrum logging as the indicator curve. combined with the Fischer diagram and lithological assemblage sequence, high frequency sequence of Ma
2026, 44(1): 355-372.
doi: 10.14027/j.issn.1000-0550.2024.025
Abstract:
Objective The Yuzhou area is the most highly studied Upper Paleozoic coal-bearing strata of the southern part of North China Block, which has abundant sedimentological and stratigraphic paleontological research basis; however, owing to the lack of absolute chronology data, the division of chronostratigraphy, and regional large-scale stratigraphic correlation are affected. Methods In this study, laser ablation inductively coupled plasma mass spectrometry (LA-ICP-MS) was applied to date the U-Pb age of detrital zircon of two mudstone samples near the stratigraphic boundary of the Taiyuan Formation-Shanxi Formation and Xiashihezi Formation-Shangshihezi Formation in the Yuzhou area and determine their maximum depositional ages. Results (1) The 40 detrital zircons from the bottom sample of the Shanxi Formation (ZK1006-5) constitute a continuous young component spectrum ranging from 283-343 Ma, with the youngest single zircon age (YSG age) is 283±9.4 Ma. The 18 detrital zircons from the bottom sample of the Shangshihezi Formation (ZK2387-3) constitute a continuous young component spectrum ranging from 257-299 Ma, with the YSG age is 257±6.8 Ma. They represent the maximum deposition age of the sample strata, indicating that the deposition time is no earlier than 283±9.4 Ma and 257±6.8 Ma. (2) The deposition of the Shanxi Formation and Shangshihezi Formation in the Yuzhou area began in Kungurian and Wuchiapingian, respectively, which is consistent with regional biostratigraphic data. (3) The Upper Paleozoic coal-bearing strata of the North China Block have a large span of penetrating rock strata, and the overall performance is characterized by inward penetration of the plate edge gradually through the new characteristics. Conclusions Based on the previous studies on volcanic events in the Late Paleozoic basin of the North China Block, the eastern margin of the basin was found to be strongly active in which the same sedimentary period, and the induced magmatism, tectonic activity, biological succession, and transgression may be related to the formation of the ancient continent of Laurisia land at the same time.
Objective The Yuzhou area is the most highly studied Upper Paleozoic coal-bearing strata of the southern part of North China Block, which has abundant sedimentological and stratigraphic paleontological research basis; however, owing to the lack of absolute chronology data, the division of chronostratigraphy, and regional large-scale stratigraphic correlation are affected. Methods In this study, laser ablation inductively coupled plasma mass spectrometry (LA-ICP-MS) was applied to date the U-Pb age of detrital zircon of two mudstone samples near the stratigraphic boundary of the Taiyuan Formation-Shanxi Formation and Xiashihezi Formation-Shangshihezi Formation in the Yuzhou area and determine their maximum depositional ages. Results (1) The 40 detrital zircons from the bottom sample of the Shanxi Formation (ZK1006-5) constitute a continuous young component spectrum ranging from 283-343 Ma, with the youngest single zircon age (YSG age) is 283±9.4 Ma. The 18 detrital zircons from the bottom sample of the Shangshihezi Formation (ZK2387-3) constitute a continuous young component spectrum ranging from 257-299 Ma, with the YSG age is 257±6.8 Ma. They represent the maximum deposition age of the sample strata, indicating that the deposition time is no earlier than 283±9.4 Ma and 257±6.8 Ma. (2) The deposition of the Shanxi Formation and Shangshihezi Formation in the Yuzhou area began in Kungurian and Wuchiapingian, respectively, which is consistent with regional biostratigraphic data. (3) The Upper Paleozoic coal-bearing strata of the North China Block have a large span of penetrating rock strata, and the overall performance is characterized by inward penetration of the plate edge gradually through the new characteristics. Conclusions Based on the previous studies on volcanic events in the Late Paleozoic basin of the North China Block, the eastern margin of the basin was found to be strongly active in which the same sedimentary period, and the induced magmatism, tectonic activity, biological succession, and transgression may be related to the formation of the ancient continent of Laurisia land at the same time.
2026, 44(1): 373-386.
doi: 10.14027/j.issn.1000-0550.2024.027
Abstract:
Objective Since 2019, CNPC has conducted exploration on the Upper Cretaceous Donga strata in the Trakes slope of the Termit Basin, Niger. Several wells obtained industrial oil flows, demonstrating good exploration potential. Compared to the Paleogene fluvial-deltaic Sokor1 Formation, the detailed characteristics of the Upper Cretaceous marine sandstones of the Donga Formation have not yet been fully examined. Methods In the present study, based on seismic, wireline, and mud logging data, 53 side wall cores and cutting samples from four wells were analyzed with thin sections, casting thin sections, X-ray diffraction, scanning electron microscopy, gamma-ray spectral logging, etc. Therefore, this study investigated the marine sandstone reservoir characteristics of DS1 member and DS3 member in the Donga Formation and analyzed their controlling factors. Results The results show that the rock type of the DS1 member is mainly fine-medium grained quartz sandstone with high component maturity, whereas the DS3 member is dominated by fine grained lithic quartz sandstone with mass calcareous mineral cement. The reservoir rock quartz grain is sub-round to round with moderate to poor sorting in the Donga Formation, the rock matrix is mainly composed of kaolinite and calcite, and most of quartz grains have point to line contact. Reservoir rock diagenesis have strong compaction and cementation, with common dissolution, and the pores are primarily intergranular with medium to ultra-low porosity and permeability. The high quality reservoirs in the Donga Formation are mainly distributed in the DS1 member, and reservoir physical property improves from west to east in Trakes slope. The analysis results show that the development of marine quartz sandstone in the Donga Formation is controlled by three factors. Firstly, vertical distribution of the sedimentary face and marine quartz sandstone was controlled by sea level changes, which manifested widespread marine distributary channel sandstones in the DS1 member that deposited in the early stage of marine transgression, whereas the DS3 member, in the highest sea level of marine deposit with high salinity, formed high contents of carbonate cement and poor reservoir physical property. Secondly, the stable gentle slope geomorphology in the Late Cretaceous was favorable for the development of marine sand bodies, and the intense strike-slip fault activities in the Paleogene induced the formation of micro-fractures in reservoir rock, which effectively improved the reservoir physical properties. Thirdly, the rigid construction of marine quartz sandstone granules was favorable for the preservation of rock primary pores, and the dissolution of unstable minerals such as feldspar and calcareous minerals improved the pore structure of the reservoir rock. Conclusions The development of a regional cap rock of marine mudstone and shale was conducive to the formation of self-generation and self-preservation reservoir in the Donga Formation. Compared with the lower slope zone of the Trakes slope, marine quartz sandstone has better reservoir physical properties and widespread distribution in the middle and high slope zones closer to the eastern sediment source area and are favorable for further exploration in the Donga Formation.
Objective Since 2019, CNPC has conducted exploration on the Upper Cretaceous Donga strata in the Trakes slope of the Termit Basin, Niger. Several wells obtained industrial oil flows, demonstrating good exploration potential. Compared to the Paleogene fluvial-deltaic Sokor1 Formation, the detailed characteristics of the Upper Cretaceous marine sandstones of the Donga Formation have not yet been fully examined. Methods In the present study, based on seismic, wireline, and mud logging data, 53 side wall cores and cutting samples from four wells were analyzed with thin sections, casting thin sections, X-ray diffraction, scanning electron microscopy, gamma-ray spectral logging, etc. Therefore, this study investigated the marine sandstone reservoir characteristics of DS1 member and DS3 member in the Donga Formation and analyzed their controlling factors. Results The results show that the rock type of the DS1 member is mainly fine-medium grained quartz sandstone with high component maturity, whereas the DS3 member is dominated by fine grained lithic quartz sandstone with mass calcareous mineral cement. The reservoir rock quartz grain is sub-round to round with moderate to poor sorting in the Donga Formation, the rock matrix is mainly composed of kaolinite and calcite, and most of quartz grains have point to line contact. Reservoir rock diagenesis have strong compaction and cementation, with common dissolution, and the pores are primarily intergranular with medium to ultra-low porosity and permeability. The high quality reservoirs in the Donga Formation are mainly distributed in the DS1 member, and reservoir physical property improves from west to east in Trakes slope. The analysis results show that the development of marine quartz sandstone in the Donga Formation is controlled by three factors. Firstly, vertical distribution of the sedimentary face and marine quartz sandstone was controlled by sea level changes, which manifested widespread marine distributary channel sandstones in the DS1 member that deposited in the early stage of marine transgression, whereas the DS3 member, in the highest sea level of marine deposit with high salinity, formed high contents of carbonate cement and poor reservoir physical property. Secondly, the stable gentle slope geomorphology in the Late Cretaceous was favorable for the development of marine sand bodies, and the intense strike-slip fault activities in the Paleogene induced the formation of micro-fractures in reservoir rock, which effectively improved the reservoir physical properties. Thirdly, the rigid construction of marine quartz sandstone granules was favorable for the preservation of rock primary pores, and the dissolution of unstable minerals such as feldspar and calcareous minerals improved the pore structure of the reservoir rock. Conclusions The development of a regional cap rock of marine mudstone and shale was conducive to the formation of self-generation and self-preservation reservoir in the Donga Formation. Compared with the lower slope zone of the Trakes slope, marine quartz sandstone has better reservoir physical properties and widespread distribution in the middle and high slope zones closer to the eastern sediment source area and are favorable for further exploration in the Donga Formation.
2026, 44(1): 387-404.
doi: 10.14027/j.issn.1000-0550.2024.113
Abstract:
Objective This study aimed to define the high-quality reservoir development model of the Xu3 member in the source rock stratum, that is, the tight sandstone gas exploration in the Xu3 member of the Xujiahe Formation, Western Sichuan Depression, and provide theoretical guidance. Methods The core, thin section, scanning electron microscope, fluid inclusion, situ stable carbon and oxygen isotopes, porosity, and permeability data were integrated. Based on the basic characteristics of Xu3 member tight sandstone reservoirs in the Western Sichuan Depression and the types of diagenesis, the heterogeneity of the reservoirs and the development model of high-quality reservoirs were analyzed systematically. Results The results show that lithic quartz sandstone and lithic sandstone were the main rock type of the Xu3 member, and the reservoir space was primarily composed of intragranular dissolution pores and fractures, with porosity less than 7% and permeability less than 1×10-3μm2. Therefore, the sandstone reservoirs could be divided into intragranular dissolution pore and fracture- intragranular dissolution pore types. The diagenesis of the Xu3 member sandstones included compaction, cementation, and dissolution and experienced early humic acid, middle organic acid, and late hydrothermal fluids during the evolution process. In addition, two types of vertical sedimentary cycles, sandstone with sandstone and sandstone with mudstone, were identified in the Xu3 member. Conclusions The results indicated that the tight sandstone was altered by the early humic acid and middle organic acid continuously via the intergranular pore throat and fracture and in favour of reservoir formation. However, the late hydrothermal fluid acted solely in the late large scale fracture and had an insignificant effect on reservoir quality. In addition, the high-quality reservoir of the sandstone with the sandstone vertical sedimentary cycle mainly developed in the lower part of the cycle which characterized by relatively coarse-grain, but the high-quality reservoir of the sandstone with mudstone vertical sedimentary cycle mainly developed in the lower part of the cycle with relatively coarse-grain; the upper part of the cycle is adjacent to the mudstone.
Objective This study aimed to define the high-quality reservoir development model of the Xu3 member in the source rock stratum, that is, the tight sandstone gas exploration in the Xu3 member of the Xujiahe Formation, Western Sichuan Depression, and provide theoretical guidance. Methods The core, thin section, scanning electron microscope, fluid inclusion, situ stable carbon and oxygen isotopes, porosity, and permeability data were integrated. Based on the basic characteristics of Xu3 member tight sandstone reservoirs in the Western Sichuan Depression and the types of diagenesis, the heterogeneity of the reservoirs and the development model of high-quality reservoirs were analyzed systematically. Results The results show that lithic quartz sandstone and lithic sandstone were the main rock type of the Xu3 member, and the reservoir space was primarily composed of intragranular dissolution pores and fractures, with porosity less than 7% and permeability less than 1×10-3μm2. Therefore, the sandstone reservoirs could be divided into intragranular dissolution pore and fracture- intragranular dissolution pore types. The diagenesis of the Xu3 member sandstones included compaction, cementation, and dissolution and experienced early humic acid, middle organic acid, and late hydrothermal fluids during the evolution process. In addition, two types of vertical sedimentary cycles, sandstone with sandstone and sandstone with mudstone, were identified in the Xu3 member. Conclusions The results indicated that the tight sandstone was altered by the early humic acid and middle organic acid continuously via the intergranular pore throat and fracture and in favour of reservoir formation. However, the late hydrothermal fluid acted solely in the late large scale fracture and had an insignificant effect on reservoir quality. In addition, the high-quality reservoir of the sandstone with the sandstone vertical sedimentary cycle mainly developed in the lower part of the cycle which characterized by relatively coarse-grain, but the high-quality reservoir of the sandstone with mudstone vertical sedimentary cycle mainly developed in the lower part of the cycle with relatively coarse-grain; the upper part of the cycle is adjacent to the mudstone.